简介 定量式分流集流阀能保证俩个液动机的同步,但流量范围非常狭小,从而造成了系列设计烦琐和产品生产的困难。实践证明,定量分流的分流集流阀当流量变化时,其分流(同步)精度显著下降,为选用核实的分流集流(同步)阀造成了困难。为了解决这个问题,更好地树立为用户服务的观点研制了可变流量的分流集流阀。该法和定量分流集流阀相比,具有流量范围广泛,使用方便等有点,在各种流量同步系统中得到广泛的应用。 型号说明
基本参数
型号
公称压力(MPa)
额定流量(L/min)
同步精度
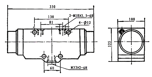
主油路链接螺纹
分油路链接螺纹
3FJLK-L10-50H
20
10-50
1-3%
M33×2-6H
M1×1.5-6H
外型尺寸