返回
电动润滑泵
首页
>
了解产品
>
稀油润滑系统设备
>
润滑泵电动泵
>
电动润滑泵
DRB-L60Z-H,DRB-L60Z-Z,DRB-L195Z-H,DRB-L195Z-Z,DRB-L585Z-H,DRB-L585Z-Z,电动润滑泵
2015-02-09 13:08
1262
信息概况
价格:
未填
型号:
DRB-L60Z-H,DRB-L60Z-Z,DRB-L195Z-H,DRB-L195Z-Z,DRB-L585Z-H,DRB-L585Z-Z,
发货:
3天内
发送询价
DRB-L60Z-H,DRB-L60Z-Z,DRB-L195Z-H,DRB-L195Z-Z,
DRB-L585Z-H,DRB-L585Z-Z,
电动润滑泵
一、概述
DRB-L系列电动润滑泵适用于润滑点多,分布范围广,给油频率高的双线式干油集中润滑系统。通过双线分配器向润滑部位供送润滑脂,可满足各种机器设备的需要,对于大型机组和生产线尤为适宜。
该系列电动润滑泵可组成双线环式集中润滑系统,即系统的主管路组成环状布置,由返回润滑泵的主管道末端的系统压力来控制液压换向阀,使两条主管道交替地供送润滑脂的集中润滑系统;见外形图和外形尺寸表的规定。也可组成双线终端式集中润滑系统,即由主管道末端的压力操纵阀来控制电磁。换向阀交替地使两条主管道供送润滑脂的集中润滑系统,也见外形图和外形尺寸的规定。
该系列电动润滑泵采用双柱塞机构,运转可靠,减速机构置于泵体内,结构紧凑,体积小,配以相应的电控箱可以实现自动控制。
二、技术参数
型号
公称压力MPa
公称流量
贮油器
配管方式
电机型号
电动机功率kW
减速比
转速r/min
减速器润滑油量L
重量kg
标准型号
引进型号
ml/min
容积L
DRB-L60Z-H
U-25AL
20
60
20
环式
A02-7124
0.37
1:15
100
1
140
DRB-L60Z-Z
U-25AE
终端式
160
DRB-L195Z-H
U-4AL
195
35
环式
Y802-4
0.75
1:20
75
2
210
DRB-L195Z-Z
U-4AE
终端式
230
DRB-L585Z-H
U-5AL
585
90
环式
Y90L-4
1.5
5
456
DRB-L585Z-Z
U-5AE
终端式
416
使用介质为锥入度不低于265(25℃,150g)1/10mm的润滑脂(NLGI0#-2#)。
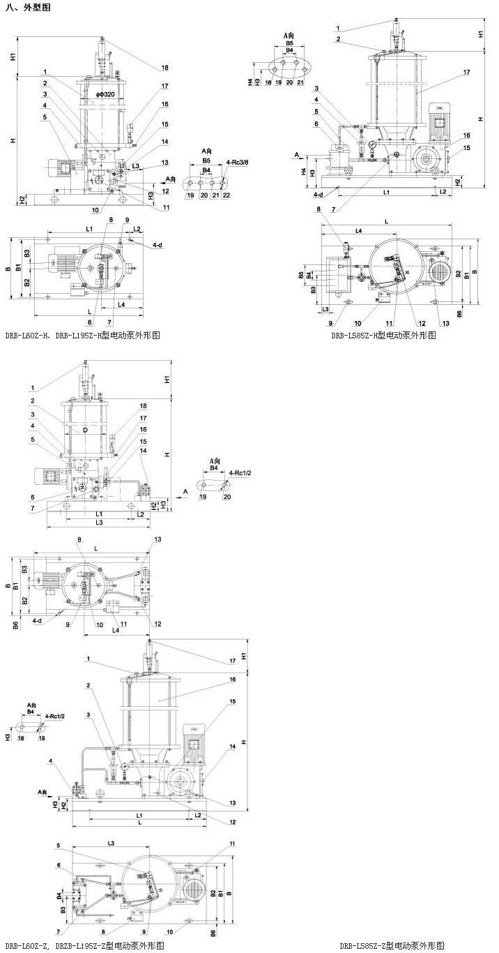
DRB-L系列电动润滑泵外形尺寸
型号
L
B
H
L1
L2
L3
L4
B1
B2
B3
B4
DRB-L60Z-H
640
360
986
500
70
126
290
320
157
23
42
DRB-L60Z-Z
780
640
450
200
160
DRB-L195Z-H
800
452
1056
600
100
125
300
420
226
39
42
DRB-L195Z-Z
891
800
500
160
DRB-L585Z-H
1160
585
1335
860
150
100
667
520
476
244
111
DRB-L585Z-Z
667
239
160
型号
B5
B6
H1
H2
H3
H4
D
d
地脚螺栓
最大
最小
DRB-L60Z-H
118
20
598
155
60
130
-
269
14
M12x200
DRB-L60Z-Z
-
85
DRB-L195Z-H
118
16
687
167
83
164
-
319
18
M16x400
DRB-L195Z-Z
-
108
DRB-L585Z-H
226
22
815
170
110
248
277
457
22
M20x500
DRB-L585Z-Z
-
135
六、工作原理
该系列电动润滑泵由柱塞泵、贮油器、换向阀、电动机等部分组成。柱塞泵在电动机的驱动下,从贮油器吸入润滑脂,压送到换向阀,通过换向阀交替地沿两个出油口输送出去,当一个出油口压送润滑脂时,另一出油口与贮油器接通卸荷。
环式结构电动润滑泵配用液压换向阀,有四个接口,外接两根供油主管分别由两根供油管引回的回油管,依靠回油管内油脂的油压推动换向阀换向。
终端式结构电动润滑泵配用电磁换向阀,有二个接口,外接二根供油主管,依靠电磁铁的得失电实现换向供油。
柱塞泵换向阀的动作原理详见使用说明书。
七、使用说明
1、该系列电动润滑泵应安装在环境温度合适,灰尘少,振动小,便于调整、检查、维护保养及补脂方便的地方并且尽可能布置在系统的中心位置,缩短系统配管长度,保持最低压力降,使泵能产生足以克服润滑点阻力的压力。
2、使用前先向柱塞泵的减速腔内加入N220的工业齿轮油至油标规定液面。
3、向贮油器内补脂使用DJB-V70型电动加油泵从润滑泵的补给口补进,使用的润滑脂应清洁,不允许夹杂有污物。
4、润滑泵的回转方向是单向的,使用时必须按电机上旋向牌规定的旋向接线使用。
5、泵溢流阀的标准设定压力为23MPa,可以在0~20MPa范围内任意调节,在使用时不允许超过泵公称压力的15%(23MPa)。
6、环式润滑泵的液压换向阀的设定压力按5MPa调定。
7、该系列电动润滑泵为室内安装型,在室外或环境恶劣的场合使用时,必须采取防护措施。
联系方式
姓名:销售员 1437(先生)
电话:
13861877712
传真:0510-82308771
地区:江苏-无锡市
地址:
无锡市会北路28-135
QQ:
2355802921
0
人关注
0
人点赞
举报
评分:
分
扫一扫访问当前网页
复制链接
二维码
短信
邮件
关闭
同类了解产品
YG-3232,YG-3234,YG-3202,YG-3204,油脂电动润滑泵
YS-2231,YS-2232,YS-2201,YS-2202,YS-3204,YS-3234,稀油电动润滑泵
HC-2231,HC-2232,HC-2201,HC-2202,稀油电动润滑泵
YSM-4LW,微量油气电动润滑泵
XC1.5P-CCBT,XC1.5P-CCCXD,XC1.5P-CCCXK,XC1.5P-CCCXM,XC1.5P-CCCX,XC1.5P-CCCTD,XC1.5P-CCCTK,XC1.5P-CCCTM,XC1.5P-CCCT,XC1.5P-CCDXD, XC1.5P-CCDXK,XC1.5P-CCDXM,XC1.5P-CCDX,XC1.5P-CCDTD,XC1.5P-CCDTK,XC1.5P-CCDTM,XC1.5P-CCDT,电动润滑泵
XY3.0Y-I,XY4.0S-A,XY4.0S-B,XY4.0S-C,XY4.0S-D,XY4.0S-E,XY4.0S-F,XY4.0S-G,XY4.0S-H,XY4.0S-I,XY4.0P-A,XY4.0P-B,XY4.0P-C,XY4.0P-D,XY4.0P-E, XY4.0P-F,XY4.0P-G,XY4.0P-H,XY4.0P-I,XY4.0Y-A,XY4.0Y-B,XY4.0Y-C,XY4.0Y-D,XY4.0Y-E,XY4.0Y-F,XY4.0Y-G 电动润滑泵
取消
发送询价
分享好友
了解产品首页
频道列表
我要评论