本产品主要安装于各类水池外.排除水池底部的泥沙用污水。
本阀是由主阀、齿轮箱、齿条手柄、挡位等组成。工作时只要把手柄往下按定位就可以开启,相反就伙 速关闭。
公称压力:PN1.OMPa 适用温度:常温 阀杆材抖:不锈钢 适用介质:水、污水、泥沙 阀体齿轮材料:HT200 阀瓣材料:衬胶板NBR
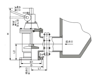
主要外型尺寸:
公称通径
(mm)
尺 寸(mm)
接管螺纹G
H
L1
L2
80
480
135
125
1/2〞
100
500
145
150
620
175
200
735
225
185
250
805
260
205
300
940
280
245
3/4〞
350
1100
305
270
400
1200
340
310
1〞