D71H-10P,D71H-16C,D71H-25R,Dt43H-10P,Dt43H-16R,Dt43H-25C,Dt43F-10P,Dt43F-16R,Dt43F-25C,硬密封蝶阀

产品型号:D71H-10
产品名称:金属弹性硬密封蝶阀
产品特点:本蝶阀可适用于食品、医药、化工等净管路及工业环保、水处理、高层建筑、给排水管路作启闭或调节介质流量之用。采用标准设计标准:GB/T12238-1989 法兰连接尺寸:GB/T9113.1-2000; GB/T9113.2-2000 GB/T9115.1-2000; GB/T9115.2-2000 结构长度:GB/T12221-1989 压力试验:GB/T13927-1992 金属弹性硬密封蝶阀。
二、主要技术参数:
|
公称通径
|
DN(mm)
|
50~150
|
|
公称压力
|
PN(MPa)
|
1.0
|
1.6
|
2.5
|
|
试验压力
Ps(MPa)
|
强度试验
|
1.5
|
2.4
|
3.75
|
|
密封试验
|
1.1
|
1.76
|
2.75
|
|
气密封试验
|
0.6
|
0.6
|
0.6
|
|
适用介质
|
水、蒸气、油品、酸类腐蚀性等。
|
|
适用温度
|
-40℃~600℃
|
三、主要零件的材质:
|
零件名称
|
材料
|
|
阀体
|
铸铁、铸钢、不锈钢、铬钼钢、合金钢
|
|
蝶板
|
铸钢、合金钢(镀硬铬)、不锈钢、铬钼钢
|
|
密封圈
|
不锈钢、聚内脂、抗磨材料
|
|
阀杆
|
2Cr13、1Cr13不锈钢、铬钼钢
|
|
填料
|
柔性石墨
|
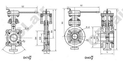
四、D71H-10P系列对夹式弹性硬密封蝶阀尺寸级规格:
|
公称通径
|
结构长度
(标准值)
|
外形尺寸
(参考值)
|
法兰尺寸和螺栓孔尺寸(标准值)
|
|
1.0MPa
|
1.6MPa
|
2.5MPa
|
|
毫米
|
英寸
|
L
|
L2
|
H
|
H1
|
D1
|
Z-d
|
a
|
D1
|
Z-d
|
a
|
D1
|
Z-d
|
a
|
|
50
|
2
|
43
|
265
|
330
|
250
|
125
|
4-18
|
90°
|
125
|
4-18
|
90°
|
125
|
4-18
|
90°
|
|
65
|
2 1/2
|
46
|
265
|
362
|
267
|
145
|
4-18
|
90°
|
145
|
4-18
|
90°
|
145
|
4-18
|
90°
|
|
80
|
3
|
49
|
320
|
375
|
275
|
160
|
8-18
|
45°
|
160
|
8-18
|
45°
|
160
|
8-18
|
45°
|
|
100
|
4
|
56
|
320
|
410
|
295
|
180
|
8-18
|
45°
|
180
|
8-18
|
45°
|
190
|
8-22
|
45°
|
|
125
|
5
|
64
|
340
|
425
|
305
|
210
|
8-18
|
45°
|
210
|
8-18
|
45°
|
220
|
8-26
|
45°
|
|
150
|
6
|
70
|
390
|
465
|
320
|
240
|
8-22
|
45°
|
240
|
8-22
|
45°
|
250
|
8-26
|
45°
|
五、Dt43H/F-10、16、25C.P.R.V系列法兰式弹性硬密封、聚四氟密封蝶阀:
|
公称通径
|
结构长度
(标准值)
|
外形尺寸
(参考值)
|
法兰尺寸和螺栓孔尺寸(标准值)
|
|
1.0MPa
|
1.6MPa
|
2.5MPa
|
|
毫米
|
英寸
|
L
|
L2
|
H
|
H1
|
D
|
D1
|
D2
|
n-d
|
D
|
D1
|
D2
|
n-d
|
D
|
D1
|
D2
|
n-d
|
|
50
|
2
|
43
|
265
|
325
|
240
|
165
|
125
|
99
|
4-18
|
165
|
125
|
99
|
4-18
|
165
|
125
|
99
|
4-18
|
|
65
|
2 1/2
|
46
|
265
|
340
|
250
|
185
|
145
|
118
|
4-18
|
185
|
145
|
118
|
4-18
|
185
|
145
|
118
|
8-18
|
|
80
|
3
|
49
|
320
|
355
|
255
|
200
|
160
|
132
|
8-18
|
200
|
160
|
132
|
8-18
|
200
|
160
|
132
|
8-18
|
|
100
|
4
|
56
|
320
|
400
|
275
|
220
|
180
|
156
|
8-18
|
220
|
180
|
156
|
8-18
|
235
|
190
|
156
|
8-22
|
|
125
|
5
|
64
|
340
|
435
|
300
|
250
|
210
|
184
|
8-18
|
250
|
210
|
184
|
8-18
|
270
|
220
|
184
|
8-26
|
|
150
|
6
|
70
|
390
|
455
|
310
|
285
|
240
|
211
|
8-22
|
285
|
240
|
211
|
8-22
|
300
|
250
|
211
|
8-26
|
注:Dt-代表弹性密封结构
D71H-10P-DN50,D71H-10P-DN65,D71H-10P-DN80,D71H-10P-DN100,D71H-10P-DN125,D71H-10P-DN150,
D71H-10C-DN50,D71H-10C-DN65,D71H-10C-DN80,D71H-10C-DN100,D71H-10C-DN125,D71H-10C-DN150,
D71H-10R-DN50,D71H-10R-DN65,D71H-10R-DN80,D71H-10R-DN100,D71H-10R-DN125,D71H-10R-DN150,
D71H-16P-DN50,D71H-16P-DN65,D71H-16P-DN80,D71H-16P-DN100,D71H-16P-DN125,D71H-16P-DN150,
D71H-16C-DN50,D71H-16C-DN65,D71H-16C-DN80,D71H-16C-DN100,D71H-16C-DN125,D71H-16C-DN150,
D71H-16R-DN50,D71H-16R-DN65,D71H-16R-DN80,D71H-16R-DN100,D71H-16R-DN125,D71H-16R-DN150,
D71H-25P-DN50,D71H-25P-DN65,D71H-25P-DN80,D71H-25P-DN100,D71H-25P-DN125,D71H-25P-DN150,
D71H-25C-DN50,D71H-25C-DN65,D71H-25C-DN80,D71H-25C-DN100,D71H-25C-DN125,D71H-25C-DN150,
D71H-25R-DN50,D71H-25R-DN65,D71H-25R-DN80,CCLAIR,D71H-25R-DN100,D71H-25R-DN125,D71H-25R-DN150,
Dt43H-10P-DN50,Dt43H-10P-DN65,Dt43H-10P-DN80,Dt43H-10P-DN100,Dt43H-10P-DN125,Dt43H-10P-DN150,
Dt43H-10C-DN50,Dt43H-10C-DN65,Dt43H-10C-DN80,Dt43H-10C-DN100,Dt43H-10C-DN125,Dt43H-10C-DN150,
Dt43H-10R-DN50,Dt43H-10R-DN65,Dt43H-10R-DN80,Dt43H-10R-DN100,Dt43H-10R-DN125,Dt43H-10R-DN150,
Dt43H-16P-DN50,Dt43H-16P-DN65,Dt43H-16P-DN80,Dt43H-16P-DN100,Dt43H-16P-DN125,Dt43H-16P-DN150,
Dt43H-16C-DN50,Dt43H-16C-DN65,Dt43H-16C-DN80,Dt43H-16C-DN100,Dt43H-16C-DN125,Dt43H-16C-DN150,
Dt43H-16R-DN50,Dt43H-16R-DN65,Dt43H-16R-DN80,Dt43H-16R-DN100,Dt43H-16R-DN125,Dt43H-16R-DN150,
Dt43H-25P-DN50,Dt43H-25P-DN65,Dt43H-25P-DN80,Dt43H-25P-DN100,Dt43H-25P-DN125,Dt43H-25P-DN150,
Dt43H-25C-DN50,Dt43H-25C-DN65,Dt43H-25C-DN80,Dt43H-25C-DN100,Dt43H-25C-DN125,Dt43H-25C-DN150,
Dt43H-25R-DN50,Dt43H-25R-DN65,Dt43H-25R-DN80,Dt43H-25R-DN100,Dt43H-25R-DN125,Dt43H-25R-DN150,
Dt43F-10P-DN50,Dt43F-10P-DN65,Dt43F-10P-DN80,Dt43F-10P-DN100,Dt43F-10P-DN125,Dt43F-10P-DN150,
Dt43F-10C-DN50,Dt43F-10C-DN65,Dt43F-10C-DN80,Dt43F-10C-DN100,Dt43F-10C-DN125,Dt43F-10C-DN150,
Dt43F-10R-DN50,Dt43F-10R-DN65,Dt43F-10R-DN80,Dt43F-10R-DN100,Dt43F-10R-DN125,Dt43F-10R-DN150,
Dt43F-16P-DN50,Dt43F-16P-DN65,Dt43F-16P-DN80,Dt43F-16P-DN100,Dt43F-16P-DN125,Dt43F-16P-DN150,
Dt43F-16C-DN50,Dt43F-16C-DN65,Dt43F-16C-DN80,Dt43F-16C-DN100,Dt43F-16C-DN125,Dt43F-16C-DN150,
Dt43F-16R-DN50,Dt43F-16R-DN65,Dt43F-16R-DN80,Dt43F-16R-DN100,Dt43F-16R-DN125,Dt43F-16R-DN150,
Dt43F-25P-DN50,Dt43F-25P-DN65,Dt43F-25P-DN80,CCLAIR,Dt43F-25P-DN100,Dt43F-25P-DN125,Dt43F-25P-DN150,
Dt43F-25C-DN50,Dt43F-25C-DN65,Dt43F-25C-DN80,Dt43F-25C-DN100,Dt43F-25C-DN125,Dt43F-25C-DN150,
Dt43F-25R-DN50,Dt43F-25R-DN65,Dt43F-25R-DN80,Dt43F-25R-DN100,Dt43F-25R-DN125,Dt43F-25R-DN150,
一、产品[金属弹性硬密封蝶阀]的详细资料: