SD643H-6-DN50,SD643H-10-DN65,SD643H-16-DN80,SD643H-6-DN100,SD643H-10-DN125,气动法兰式伸缩蝶阀
一、产品[气动法兰式伸缩蝶阀]的详细资料:
产品型号:SD643H
产品名称:气动法兰式伸缩蝶阀
产品特点:气动传动法兰式伸缩蝶阀,传动伸缩蝶阀,气动传动伸缩蝶阀
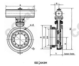
二、气动法兰式伸缩蝶阀SD643H/F/X-6/10/16系列连接尺寸:

|
公称通径 |
外形尺寸(参考值) |
法兰尺寸和螺栓孔尺寸(标准值) |
||||||||||||||||||
|
H |
H1 |
设计最大长度 |
设计最小长度 |
设计长度 |
A |
B |
0.6MPa |
1.0MPa |
1.6MPa |
|||||||||||
|
毫米 |
英寸 |
D |
D1 |
D2 |
n-d |
D |
D1 |
D2 |
n-d |
D |
D1 |
D2 |
n-d |
|||||||
|
50 |
2 |
80 |
400 |
164 |
138 |
151 |
245 |
72 |
140 |
110 |
88 |
4-14 |
165 |
125 |
99 |
4-18 |
165 |
125 |
99 |
4-18 |
|
65 |
2 1/2 |
93 |
400 |
190 |
154 |
172 |
245 |
72 |
160 |
130 |
108 |
4-14 |
185 |
145 |
118 |
4-18 |
185 |
145 |
118 |
4-18 |
|
80 |
3 |
100 |
410 |
195 |
163 |
177 |
245 |
72 |
190 |
150 |
124 |
4-18 |
200 |
160 |
132 |
8-18 |
200 |
160 |
132 |
8-18 |
|
100 |
4 |
110 |
430 |
227 |
184 |
206 |
355 |
92 |
210 |
170 |
144 |
4-18 |
220 |
180 |
156 |
8-18 |
220 |
180 |
156 |
8-18 |
|
125 |
5 |
125 |
465 |
254 |
201 |
215 |
355 |
92 |
240 |
200 |
174 |
8-18 |
250 |
210 |
184 |
8-18 |
250 |
210 |
184 |
8-18 |
|
150 |
6 |
143 |
615 |
240 |
195 |
225 |
355 |
92 |
265 |
225 |
199 |
8-18 |
285 |
240 |
211 |
8-22 |
285 |
240 |
211 |
8-22 |
|
200 |
8 |
170 |
685 |
265 |
215 |
245 |
250 |
170 |
320 |
280 |
254 |
8-18 |
340 |
295 |
266 |
8-22 |
340 |
295 |
266 |
12-22 |
|
250 |
10 |
198 |
740 |
295 |
235 |
265 |
250 |
170 |
375 |
335 |
309 |
12-18 |
395 |
350 |
319 |
12-22 |
405 |
355 |
319 |
12-26 |
|
300 |
12 |
223 |
800 |
308 |
254 |
282 |
450 |
220 |
440 |
395 |
363 |
12-22 |
445 |
400 |
370 |
12-22 |
460 |
410 |
370 |
12-26 |
|
350 |
14 |
253 |
860 |
325 |
271 |
300 |
450 |
220 |
490 |
445 |
413 |
12-22 |
505 |
460 |
429 |
16-22 |
520 |
470 |
429 |
16-26 |
|
400 |
16 |
283 |
945 |
345 |
283 |
314 |
450 |
280 |
540 |
495 |
463 |
16-22 |
565 |
515 |
480 |
16-26 |
580 |
525 |
480 |
16-30 |
|
450 |
18 |
308 |
1000 |
370 |
314 |
340 |
650 |
280 |
595 |
550 |
518 |
16-22 |
615 |
565 |
530 |
20-26 |
640 |
585 |
548 |
20-30 |
|
500 |
20 |
335 |
1060 |
377 |
316 |
346 |
650 |
280 |
645 |
600 |
568 |
20-22 |
670 |
620 |
582 |
20-26 |
715 |
650 |
609 |
20-33 |
|
600 |
24 |
390 |
1170 |
446 |
388 |
417 |
850 |
380 |
755 |
705 |
667 |
20-26 |
780 |
725 |
682 |
20-30 |
840 |
770 |
720 |
20-36 |
|
700 |
28 |
448 |
1325 |
445 |
395 |
425 |
850 |
380 |
860 |
810 |
772 |
24-26 |
895 |
840 |
794 |
24-30 |
910 |
840 |
794 |
24-36 |
|
800 |
32 |
508 |
1445 |
479 |
425 |
455 |
1250 |
380 |
975 |
920 |
878 |
24-30 |
1015 |
950 |
901 |
24-33 |
1025 |
950 |
901 |
24-39 |
|
900 |
36 |
558 |
1555 |
515 |
455 |
485 |
1250 |
380 |
1075 |
1020 |
978 |
24-30 |
1115 |
1050 |
1001 |
28-33 |
1125 |
1050 |
1001 |
28-39 |
|
1000 |
40 |
615 |
1675 |
525 |
465 |
495 |
1500 |
580 |
1175 |
1120 |
1078 |
28-30 |
1230 |
1160 |
1112 |
28-36 |
1255 |
1170 |
1112 |
28-42 |
|
1200 |
48 |
735 |
1925 |
574 |
512 |
542 |
1500 |
580 |
1405 |
1340 |
1295 |
32-33 |
1455 |
1380 |
1328 |
32-39 |
1485 |
1390 |
1328 |
32-48 |
