EG6B41J-16-DN15,EG6B41J-10-DN20,EG6B41J-6-DN25,EG6B41J-16-DN32,EG6B41J-10-DN40,英标气动隔膜阀
一、产品[气动隔膜阀]的详细资料:
产品型号:EG6B41J
产品名称:常闭型气动隔膜阀
产品特点:设计与制造:BS5156 结构长度:BS5156 法兰连接尺寸:BS4504、DIN2532、JIS B2212、ANSI B16.1、ISO2004 EG6B41W无衬里,EG6B41J衬胶气动隔膜阀,常闭型气动隔膜阀。
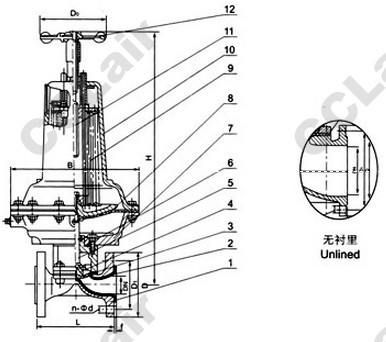
部件列表:1.阀体 2.阀体衬里 3.隔膜 4.阀瓣 5.下阀杆 6.阀盖 7.气缸 8.气动薄膜 9.弹簧 10.气缸盖 11.上阀杆 12.手轮
二、用途:
本阀专用于控制非腐蚀性或一般腐蚀性介质,阀体内腔表面无衬里或覆有可供选择的各种橡胶、适用于不同工作温度和液体管路。 适用温度:≤85℃、≤100℃、≤120℃、≤150℃(按照衬里和隔膜材料) 压力等级:PN(MPa) 0.6 1.0 1.6
三、材料:
阀体:铸铁、球墨铸铁、碳钢、不锈钢 阀盖:铸铁、球墨铸铁、碳钢、不锈钢 衬里:无衬里、橡胶 隔膜:橡胶 阀瓣:铸铁 气缸:铝合金、碳钢 气动薄膜:橡胶 阀杆:碳钢、不锈钢 手轮:铸铁
四、测试:
衬里层:电火花检测 试验与检验按BS6755标准 公称压力:PN(MPa) 阀体:PN×1.5 密封:PN×1.1
五、常闭型气动隔膜阀主要连接尺寸:
DN
公称压力 MPa
工作压力 MPa
L mm
D mm
D1 mm
n-Фd mm
f mm
H mm
D0 mm
B mm
代号 ES
气源压力 MPa
气源接头 MPa
耗气量 cm3
质量 Kg/kilos
15
1.6
108
95
65
4-14
2
20
117
105
75
120
168
61
0.3
1/8
163.87
7.2
25
127
115
85
394
0.3~0.4
196.65
8.9
32
146
140
100
4-18
400
229.4
10.6
40
159
150
110
485
165
260
62
1/4
1425.7
19.5
50
190
125
635
318
63
2284.1
34.9
1.0
216
185
145
650
3048
39.9
80
254
200
160
8-18
660
0.4~0.5
3244.7
51.9
305
220
180
816
280
425
64
3/8
6964.5
93.2
356
250
210
3
825
7439.7
105.3
406
285
240
8-22
1013
365
549
0.5
14912
184.5
0.6
521
340
295
1300
483
749
66
1/2
49161
407.4
395
350
12-22
5
300
445
注:1. 气动隔膜阀门尚可附装反馈信号、限位器或定位器,以适应自控、程控或调节流量的需要。 2. 气动阀门的反馈信号采用无触点传感技术。 3. 采用薄膜式气缸替代活塞式气缸,排除了活塞易损漏而导致无法启闭阀门的弊端。 4. 当气源发生故障时,可操作手轮使阀门开启。