1151-40-DN3,1151-40-DN6,1151-320P-DN3,1151-320P-DN6,三阀组
一、主要性能规范:
型号 Type
公称压力PN Mpa
试验压力PS(Mpa)_Test pressure
工作压力(Mpa) Working pressure
工作温度(OC) Working temps.
适用介质Applicable medium
壳体 Shell
密封(液)Seal
密封(气)Seal
1151-40
4.0
6.0
4.4
0.6
P≤540OC
液化石油气水,酸,蒸汽,油品等 Petroleum gas Water,As,Steam,Oil,etc.
1151-320P
32.0
48.0
35.2
C≤425 OC
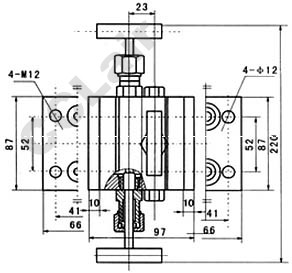
二、三阀组主要外形及连接尺寸:
公称直径 DN(mm)
尺寸 Dimension
重量(kg)Weight
Do
D1
H
L
L1
d
3-6
60
97
220
87
54
2.2