QGJ43F-25,QGJ43F-25P,QGY43F-25,QGY43F-25P,QGJ43F-25,QGY43F-25,槽车紧急切断阀
产品[槽车紧急切断阀]的详细资料
类型
代号
单纯紧急切断阀
QD
紧急切断阀与过流限制阀组合
QG
紧急切断阀过流限制阀和截止阀组合
QGJ
紧急切断阀过流限制阀和球阀组合
QGQ
传动方式
液压
Y
机械
J
气动
Q
连接形式
安装方式
阀体形式
阀座密封面材料
法兰
4
内置
1
直通
尼龙塑料
N
快速接头
5
外置
2
角式
氟塑料
F
合金钢
H
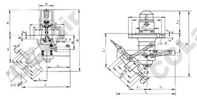
DN
L
L1
L2
L3
L4
L5
重量 (kg)
(mm)
25
295
320
75
145
100
110
147
8.502
50
372
97
165
114
153
16.844
出口法兰尺寸(mm)
入口法兰尺寸(mm)
D
D1
D2
D3
b
f
f1
z-d
N′
D′
D1′
D2′
D3′
b′
f′
f1′
z′-d′
115
85
65
58
15
4-14
160
125
87
20
3
4-18
88
80
195
135
120
22
8-18