返回
联轴器
首页
>
了解产品
>
开关电气 传感器
>
其他传感器
>
联轴器
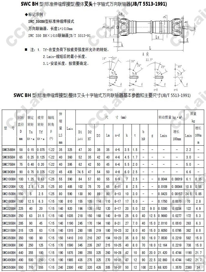
SWC58BH,SWC65BH,SWC75BH,SWC90BH,SWC100BH,SWC120BH,SWC285BH,SWC390BH,SWC440BH,万向联轴器
2014-11-29 16:48
842
信息概况
价格:
未填
型号:
SWC58BH,SWC65BH,SWC75BH,SWC90BH,SWC100BH,SWC120BH,SWC285BH,SWC390BH,SWC440BH,万向联轴器
发货:
3天内
发送询价
SWC58BH,SWC65BH,SWC75BH,SWC90BH,SWC100BH,SWC120BH,SWC285BH,SWC390BH,SWC440BH,万向联轴器
SWC315BH,SWC350BH,SWC490BH,SWC550BH,SWC150BH,SWC180BH,SWC225BH,SWC250BH,
联系方式
姓名:销售员1426(女士)
电话:
13812199898
传真:0510-82328771
地区:江苏-无锡市
地址:
无锡市会北路28-135
QQ:
2355802921
0
人关注
0
人点赞
举报
评分:
分
扫一扫访问当前网页
复制链接
二维码
短信
邮件
关闭
同类了解产品
YS-FCB4×4-D20L25,YS-FCB5×5-D24L25,YS-FCB6×6-D24L25,FCB编码器用联轴器
SY-FCD4×4-D15L20,SY-FCD5×5-D18L25,SY-FCD6×6-D18L25,FCD编码器用联轴器
DSLZQ-T20*30-4-4,DSLZQ-T30*35-5-12,DSLZQ-T40*55-20-20,DSLZQ-T,十字滑块式弹性联轴器
DSLZQ-M30*35-6-6,DSLZQ-M40*50-10-15,DSLZQ-M40*50-12-18,DSLZQ-M,梅花式弹性联轴器
DSLZQ-R19*25-4-4,DSLZQ-R24*30-8-10,DSLZQ-R30*38-12-12,DSLZQ-R,联轴器
DSLZQ-P19*24-4-4,DSLZQ-P25*30-6-8,DSLZQ-P40*50-10-18,DSLZQ-P,平行式弹性联轴器
取消
发送询价
分享好友
了解产品首页
频道列表
我要评论