返回
阀板/座
首页
>
了解产品
>
液压元件 液压阀
>
其他液压元件
>
阀板/座
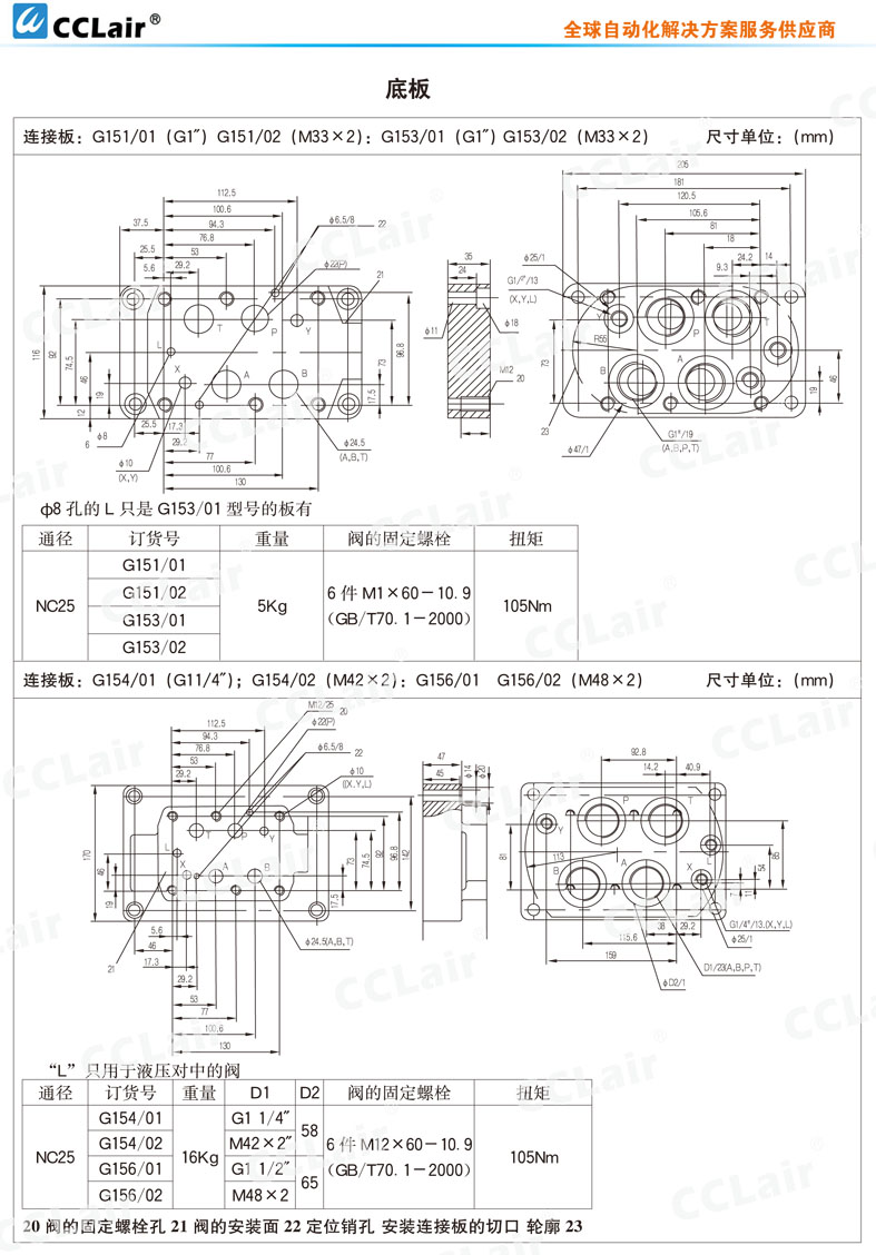
G151/01,G151/02,G153/01,G153/02,G154/01,G154/02,G156/01,G156/02,G153/02(M33×2),底板
2018-04-24 12:52
1325
信息概况
价格:
未填
型号:
G151/01,G151/02,G153/01,G153/02,G154/01,G154/02,G156/01,G156/02,G153/02(M33×2)
发货:
3天内
发送询价
G151/01,G151/02,G153/01,G153/02,G154/01,G154/02,G156/01,G156/02,G153/02(M33×2),底板
G151/01(G1"),G151/02(M33×2),CCLair G153/01(G1"),G154/01(G11/4"),G154/02(M42×2),G156/02(M48×2),
联系方式
姓名:销售员(女士)
电话:
13861877712
传真:0510-82328771
地区:江苏-无锡市
地址:
无锡市会北路28-135
QQ:
2355802919
0
人关注
0
人点赞
举报
评分:
分
扫一扫访问当前网页
复制链接
二维码
短信
邮件
关闭
同类了解产品
DGB-3-30-JA,DGC-3-30-JA,XAM-02-JA-20-J,DGB/DGC/XAM超小型系列・叠加板
TGMA-3-B,TGMA-3-C1,TGMA-3-C2,TGMA-3-T1-20-B,TGMA-3-T1-20-T,TGMA-3-T2-20-B,TGMA-3-T2-20-T,TGMA-3叠加板
TGMA-5-B-20,TGMA-5-C1-20,TGMA-5-C2-20,TGMA-5-T-20-B,TGMA-5-T-20-T,TGMA-5叠加板
AIRTAC亚德客 电磁阀底座4V100M-1F,4V100M-2F,4V100M-3F,4V100M-4F,4V100M-5F,4V100M-6F 4V100M-7F,4V100M-8F,4V100M-9F,4V100M-10F,4V100M-11F,4V100M-12F,4V100M-13F,4V100M-14F,4V100M-15F 4V100M-16F,4V200M-1F,4V200M-2F,4V200M-3F,4V200M-4F,4V200M-5F,4V200M-6F
AIRTAC亚德客 电磁阀底座3V100M-1F,3V100M-2F,3V100M-3F,3V100M-4F,3V100M-5F,3V100M-6F 3V100M-7F,3V100M-8F,3V100M-9F,3V100M-10F,3V100M-11F,3V100M-12F,3V100M-13F,3V100M-14F,3V100M-15F 3V100M-16F,3V200M-1F,3V200M-2F,3V200M-3F,3V200M-4F,3V200M-5F,3V200M-6F
AIRTAC亚德客 电磁阀底座7V0500M-1F,7V0500M-2F,7V0500M-3F,7V0500M-4F,7V0500M-5F,7V0500M-6F 7V0500M-7F,7V0500M-8F,7V0500M-9F,7V0500M-10F,7V0500M-11F,7V0500M-12F,7V0500M-13F,7V0500M-14F, 7V0500M-15F,7V0500M-16F,7V100M-1F,7V100M-2F,7V100M-3F,7V100M-4F,7V100M-5F
取消
发送询价
分享好友
了解产品首页
频道列表
我要评论