返回
单向离合器
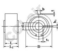
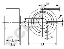
CKA1,CKA2,CKA3,CKA4,CKA1542-24,CKA38100-34,CKA2060-30,CKA4090-32,CKA2565-32,楔块式单向离合器
2014-11-11 08:551023
信息概况
  • 价格:未填
  • 型号:CKA1,CKA2,CKA3,CKA4,CKA1542-24,CKA38100-34,CKA2060-30,CKA4090-32,CKA2565-32,楔块式单向离合器
  • 发货:3天内
联系方式
  • 举报
关闭
同类了解产品