本电磁铁在其额定行程及额定电流范围内,其输出力与输入信号成比例。此电磁铁与比例控制放大器配套使用,可对电液比例阀的阀芯位置进行精确控制。是用在比例溢流阀、比例流量阀、比例节流阀、电液比例复合阀等多种电液比例阀。具有较高的重复精度和良好的线性增益。
※ 主要技术参数
型号
额定电流〔A〕
额定吸力〔N〕
额定行程〔mm〕
全行程〔mm〕
通电率〔%〕
电阻 〔 20 ℃ 〕〔V〕
力滞环〔%〕
电流滞环〔%〕
重复精度〔%〕
承受油压〔MPa〕
GP80-4 - XT
0.6
90
9
10
100
41
£ 3.8
£ 4
£ 1
21
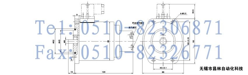
※ 外形及安装尺寸
※ 稳态行程–力特性曲线