返回
膜片式电磁阀
首页
>
了解产品
>
气动器材 气动阀
>
水 空气 蒸汽阀
>
膜片式电磁阀
21WA3R,21WA3K,21WA4R,21WA4K,21WA3R0B130,21WA3R0V130,21WA3K0B130,21WA3K0V130,意大利ODE先导膜片式电磁阀
2014-08-14 08:15
1030
信息概况
价格:
未填
型号:
21WA3R,21WA3K,21WA4R,21WA4K,21WA3R0B130,21WA3R0V130,21WA3K0B130,21WA3K0V130,意大利ODE先导膜片式电磁阀
发货:
3天内
发送询价
21WA3R,21WA3K,21WA4R,21WA4K,21WA3R0B130,21WA3R0V130,21WA3K0B130,21WA3K0V130,意大利ODE先导膜片式电磁阀
21WA4K0B130,21WA4K0V130,21WA4R0B130,21WA4R0V130,
特点
21WA4K0B130先导膜片式电磁阀
使用介质:空气、惰性气体、水
密封材料:NBR
工作压力 : 0.1 ~16bar (AC bar/8W)
0.1 ~16bar (DC bar/8W)
流体温度: -10℃ ~ +90℃
阀体材质:黄铜
电源电压:直流DC12V-24V-48V-110V 交流AC24V-110V-220V
最高室内温度:80℃
连续工作:ED100%
线 圈:8W-Φ13
BDA-BDS-BSA 155℃(classF)
BDF-BDV 180℃(classH)
21WA4R0B130先导膜片式电磁阀
使用介质:空气、惰性气体、水
密封材料:NBR
工作压力 : 0.1~12bar (AC bar/5W)
0.1~12bar (DC bar/5W)
流体温度: -10℃ ~ +90℃
阀体材质:黄铜
电源电压:直流DC12V-24V-48V-110V 交流AC24V-110V-220V
最高室内温度:80℃
连续工作:ED100%
线 圈:5W-Φ10
LBA 155℃(classF)
LBF-LBV 180℃(classH)
21WA4R0V130两通电磁阀
使用介质:空气、惰性气体、水
密封材料:FKM氟化橡胶
工作压力 : 0.1 ~12bar (AC bar/5W)
0.1 ~12bar (DC bar/5W)
流体温度: -10℃ ~ +140℃
阀体材质:黄铜
电源电压:直流DC12V-24V-48V-110V 交流AC24V-110V-220V
最高室内温度:80℃
连续工作:ED100%
线 圈:5W-Φ10
LBA 155℃(classF)
LBF-LBV 180℃(classH)
21WA4K0V130先导膜片式电磁阀
使用介质:空气、惰性气体、水
密封材料:FKM氟化橡胶
工作压力 : 0.1 ~16bar (AC bar/8W)
0.1 ~16bar (DC bar/8W)
流体温度: -10℃ ~ +140℃
阀体材质:黄铜
电源电压:直流DC12V-24V-48V-110V 交流AC24V-110V-220V
最高室内温度:80℃
连续工作:ED100%
线 圈:8W-Φ13
BDA-BDS-BSA 155℃(classF)
BDF-BDV 180℃(classH)
21WA3K0V130先导膜片式电磁阀
使用介质:空气、惰性气体、水
密封材料:FKM氟化橡胶
工作压力 : 0.2 ~16bar (AC bar/8W)
0.2 ~16bar (DC bar/8W)
流体温度: -10℃ ~ +140℃
阀体材质:黄铜
电源电压:直流DC12V-24V-48V-110V 交流AC24V-110V-220V
最高室内温度:80℃
连续工作:ED100%
线 圈:8W-Φ13
BDA-BDS-BSA 155℃(classF)
BDF-BDV 180℃(classH)
21WA3K0B130先导膜片式电磁阀
使用介质:空气、惰性气体、水
密封材料:NBR
工作压力 : 0.2 ~16bar (AC bar/8W)
0.2 ~16bar (DC bar/8W)
流体温度: -10℃ ~ +90℃
阀体材质:黄铜
电源电压:直流DC12V-24V-48V-110V 交流AC24V-110V-220V
最高室内温度:80℃
连续工作:ED100%
线 圈:8W-Φ13
BDA-BDS-BSA 155℃(classF)
BDF-BDV 180℃(classH)
21WA3R0V130先导膜片式电磁阀
使用介质:空气、惰性气体、水
密封材料:FKM氟化橡胶
工作压力 : 0.2 ~12bar (AC bar/5W)
0.2 ~12bar (DC bar/5W)
流体温度: -10℃ ~ +140℃
阀体材质:黄铜
电源电压:直流DC12V-24V-48V-110V 交流AC24V-110V-220V
最高室内温度:80℃
连续工作:ED100%
线 圈:5W-Φ10
LBA 155℃(classF)
LBF-LBV 180℃(classH)
21WA3R0B130先导膜片式电磁阀
使用介质:空气、惰性气体、水
密封材料:NBR
工作压力 : 0.2 ~12bar (AC bar/5W)
0.2 ~12bar (DC bar/5W)
流体温度: -10℃ ~ +90℃
阀体材质:黄铜
电源电压:直流DC12V-24V-48V-110V 交流AC24V-110V-220V
最高室内温度:80℃
连续工作:ED100%
线 圈:5W-Φ10
LBA 155℃(classF)
LBF-LBV 180℃(classH)
技术参数
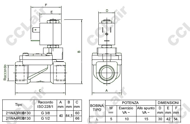
阀接口口径ISO 228/1
型号
最大介质粘度
通径mm
流动系数(1/mn)
线圈功率(watt)
压力
cSt
°E
min
max M.O.P.D.
bar
AC bar
DC bar
G 3/8〃
21WA3R0B130
–
–
13
60
5
0.2
12
12
G 3/8〃
21WA3R0V130
12
~2
G 3/8〃
21WA3K0B130
–
–
13
8
16
16
G 3/8〃
21WA3K0V130
12
~2
G 1/2〃
21WA4R0B130
–
–
13
70
5
0.1
12
12
G 1/2〃
21WA4R0V130
12
~2
G 1/2〃
21WA4K0B130
–
–
13
5
16
16
G 1/2〃
21WA4K0V130
12
~2
外形尺寸
联系方式
姓名:销售员1399(女士)
电话:
13812199898
传真:0510-82306839
地区:江苏-无锡市
地址:
无锡市会北路28-135
QQ:
2355802921
0
人关注
0
人点赞
举报
评分:
分
扫一扫访问当前网页
复制链接
二维码
短信
邮件
关闭
同类了解产品
KWK10XC-16-N-C-D,KWK10XC-16-N-C-G,KWK15XC-16-N-C-D,KWK15XC-16-N-C-G,KWK20XC-20-N-C-D,KWK20XC-20-N-C-G,KWK25XC-25-N-C-D,KWK25XC-25-N-C-G,KWK32XC-32-N-C-D,KWK32XC-32-N-C-G,KWK40XC-40-N-C-D,KWK40XC-40-N-C-G,KWK50XC-50-N-C-D,KWK50XC-50-N-C-G电磁阀
Z631-1.5,Z631-02,Z631-2.5,Z631-03,Z631-04,Z631-05,Z631-06,Z631-10,膜片式电磁阀
SRPVH10R-4A,先导阀
SRPVH20R-4A,先导阀
SRPVA10O-2A,先导阀
SRPVF10O-4A,先导阀
取消
发送询价
分享好友
了解产品首页
频道列表
我要评论