返回
膜片式电磁阀
首页
>
了解产品
>
气动器材 气动阀
>
水 空气 蒸汽阀
>
膜片式电磁阀
2362-AP,意大利ODE直拉膜片式电磁阀
2014-08-14 08:11
927
信息概况
价格:
未填
型号:
2362-AP,意大利ODE直拉膜片式电磁阀
发货:
3天内
发送询价
2362-AP,意大利ODE直拉膜片式电磁阀
特点
2362-AP直拉膜片式电磁阀
使用介质:易燃气体
密封材料:NBR
工作压力 : 0~2bar (AC bar)
流体温度:-15℃ ~ 80℃
阀体材质:黄铜
电源电压:交流220V AC
连续工作:ED100%
线 圈:W-Φ13
BDA04230AS 155℃(classF)
技术参数
阀接口口径ISO 228/1
型号
最大介质粘度
通径mm
流动系数(1/mn)
线圈功率(watt)
压力
cSt
°E
min
max M.O.P.D.
bar
AC bar
DC bar
G 1/4〃
2362-AP
﹣
﹣
4
5,0
3,5
0
2
﹣
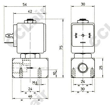
外形尺寸
联系方式
姓名:销售员1399(女士)
电话:
13812199898
传真:0510-82306839
地区:江苏-无锡市
地址:
无锡市会北路28-135
QQ:
2355802921
0
人关注
0
人点赞
举报
评分:
分
扫一扫访问当前网页
复制链接
二维码
短信
邮件
关闭
同类了解产品
KWK10XC-16-N-C-D,KWK10XC-16-N-C-G,KWK15XC-16-N-C-D,KWK15XC-16-N-C-G,KWK20XC-20-N-C-D,KWK20XC-20-N-C-G,KWK25XC-25-N-C-D,KWK25XC-25-N-C-G,KWK32XC-32-N-C-D,KWK32XC-32-N-C-G,KWK40XC-40-N-C-D,KWK40XC-40-N-C-G,KWK50XC-50-N-C-D,KWK50XC-50-N-C-G电磁阀
Z631-1.5,Z631-02,Z631-2.5,Z631-03,Z631-04,Z631-05,Z631-06,Z631-10,膜片式电磁阀
SRPVH10R-4A,先导阀
SRPVH20R-4A,先导阀
SRPVA10O-2A,先导阀
SRPVF10O-4A,先导阀
取消
发送询价
分享好友
了解产品首页
频道列表
我要评论