返回
电磁阀
首页
>
了解产品
>
气动器材 气动阀
>
控制元件
>
电磁阀
21L2K1T25,21L2K1T30,21L2K1T40,21L2K1T55,不锈钢电磁阀
2014-08-14 07:57
386
信息概况
价格:
未填
型号:
21L2K1T25,21L2K1T30,21L2K1T40,21L2K1T55,不锈钢电磁阀
发货:
3天内
发送询价
21L2K1T25,21L2K1T30,21L2K1T40,21L2K1T55,不锈钢电磁阀
特点
21L2K1T55不锈钢电磁阀
使用介质:软化水、蒸汽、糖浆、可与不锈钢兼容的化工产品
密封材料:聚四氟乙烯(特氟隆)
工作压力 : 0 ~3.5bar (AC bar/8W)
0~7bar (AC bar/14W)
0 ~1bar (DC bar/8W)
0 ~3bar (DC bar/8W)
流体温度: -40℃ ~ 180℃
阀体材质:不锈钢
电源电压:直流DC12V-24V-48V-110V 交流AC24V-110V-220V
最高室内温度:80℃
连续工作:ED100%
线 圈:8W-Φ13
BDA-BDS-BSA 155℃(classF)
BDP 160℃(高温)
BDF 180℃(classH)
14W-Φ13
GDH 180℃(classH)
21L2K1T30不锈钢电磁阀
使用介质:软化水、蒸汽、糖浆、可与不锈钢兼容的化工产品
密封材料:聚四氟乙烯(特氟隆)
工作压力 : 0 ~10bar (AC bar/8W)
0~25bar (AC bar/14W)
0 ~6bar (DC bar/8W)
0 ~20bar (DC bar/8W)
流体温度: -40℃ ~ 180℃
阀体材质:不锈钢
电源电压:直流DC12V-24V-48V-110V 交流AC24V-110V-220V
最高室内温度:80℃
连续工作:ED100%
线 圈:8W-Φ13
BDA-BDS-BSA 155℃(classF)
BDP 160℃(高温)
BDF 180℃(classH)
14W-Φ13
GDH 180℃(classH)
21L2K1T40不锈钢电磁阀
使用介质:软化水、蒸汽、糖浆、可与不锈钢兼容的化工产品
密封材料:聚四氟乙烯(特氟隆)
工作压力 : 0 ~6bar (AC bar/8W)
0~15bar (AC bar/14W)
0 ~1.7bar (DC bar/8W)
0 ~8bar (DC bar/14W)
流体温度: -40℃ ~ 180℃
阀体材质:不锈钢
电源电压:直流DC12V-24V-48V-110V 交流AC24V-110V-220V
最高室内温度:80℃
连续工作:ED100%
线 圈:8W-Φ13
BDA-BDS-BSA 155℃(classF)
BDP 160℃(高温)
BDF 180℃(classH)
14W-Φ13
GDH 180℃(classH)
技术参数
阀接口口径ISO 228/1
型号
最大介质粘度
通径mm
流动系数(1/mn)
线圈功率(watt)
压力
cSt
°E
min
max M.O.P.D.
bar
AC bar
DC bar
G 1/4〃
21L2K1T25
﹣
﹣
2,5
3,2
8
0
14
9
14
30
25
21L2K1T30
3
4,0
8
10
6
14
25
20
21L2K1T40
4
5,0
8
6
1,7
14
15
8
21L2K1T55
5,5
9,0
8
3,5
1
14
7
3
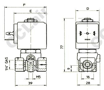
外形尺寸
联系方式
姓名:销售员1399(女士)
电话:
13812199898
传真:0510-82306839
地区:江苏-无锡市
地址:
无锡市会北路28-135
QQ:
2355802921
0
人关注
0
人点赞
举报
评分:
分
扫一扫访问当前网页
复制链接
二维码
短信
邮件
关闭
同类了解产品
SY3120-4LZD-M5,SY3120-5LZD-M5,SY3120-4GZD-M5,SY3120-5GZD-M5,SY3220-4LZD-M5,SY3220-5LZD-M5,SY3220-4GZD-M5,SY3220-5GZD-M5,SY3320-4LZD-M5,SY3320-5LZD-M5,SY3320-4GZD-M5,SY3320-5GZD-M5,SY3420-4LZD-M5,SY3420-5LZD-M5,SY3420-4GZD-M5,SY3420-5GZD-M5电磁阀
SY5120-4LZD-01,SY5120-5LZD-01,SY5120-4GZD-01,SY5120-5GZD-01,SY5120-4DZD-01,SY5120-5DZD-01,SY5220-4LZD-01,SY5220-5LZD-01,SY5220-4GZD-01,SY5220-5GZD-01,SY5320-4LZD-01,SY5320-5LZD-01,SY5320-4GZD-01,SY5320-5GZD-01电磁阀
SY7120-4LZD-02,SY7120-5LZD-02,SY7120-4GZD-02,SY7120-5GZD-02,SY7120-4DZD-02,SY7120-5DZD-02,SY7220-4LZD-02,SY7220-5LZD-02,SY7220-4GZD-02,SY7220-5GZD-02,SY7320-4LZD-02,SY7320-5LZD-02,SY7320-4GZD-02,SY7320-5GZD-02,SY7420-4LZD-02,SY7420-5LZD-02电磁阀
SY9120-4LZD-03,SY9120-5LZD-03,SY9120-4GZD-03,SY9120-5GZD-03,SY9120-4DZD-03,SY9120-5DZD-03,SY9220-4LZD-03,SY9220-5LZD-03,SY9220-4GZD-03,SY9220-5GZD-03,SY9320-4LZD-03,SY9320-5LZD-03,SY9320-4GZD-03,SY9320-5GZD-03,SY9420-4LZD-03,SY9420-5LZD-03电磁阀
2W-10SL,2W-15SL,2W-20SL,2W-25SL,2W-32SL,2W-40SL,2W-50SL,PP-15-D11011,PP-20-D11011,PP-25-D11011,PP-15-W11011,PP-20-W11011,PP-25-W11011,PP-15-W09511,PP-20-W09511,PP-25-W09511,PP-15V-D11011,PP-20V-D11011,PP-25V-D11011,PP-15K-D16011,PP-20K-D16011电磁阀
0927000,0927100,0927200,0927300,0927400,0927500,0927600,0927700,0927000V,0927100V,09272000V,0927300V,0927400V,0927500V,0927600V,0927700V,927200S,0927300S,0927400S,0927500S,0927600S,0927700S,0955105,0955205,0955305,0955405,0955505,0955605,0955705电磁阀
取消
发送询价
分享好友
了解产品首页
频道列表
我要评论