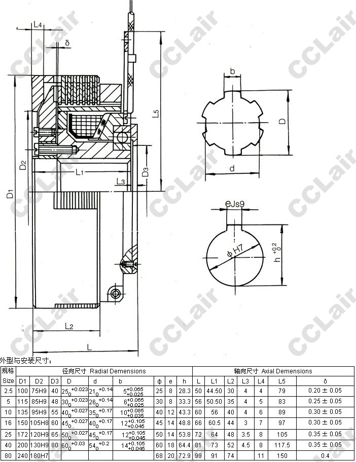
一、主要用途: 干式多片电磁离合器、制动器,为磁通不过片式,动作灵敏可靠,摩擦片磨损后易调整,空载力矩小。主要用于搬运、轧钢,半自动车床,数控机床,纺织等机械传动系统中,实现离合、换向、变速、制动、定位等功能。 二、干式多片电磁离合(制动)器在下列条件下能可靠工作 1.离合器安装地点海拔不超过2000m; 2.周围环境温度―5℃~+40℃; 3.周围介质中无爆炸危险、且无足以腐蚀金属和破坏绝缘的气体及导电尘埃 4.离合器线圈电压波动不超过+5%和-15%的额定电压; 5.摩擦片应清洁无油污。 三、安装 1.安装前检查摩擦片不应有油污及杂物。 2.安装前应轴向固定,;如分轴安装应保持同轴度为9级。 3.摩擦片磨损后,应调整气隙&。 方法是:松开调整母上的螺钉,转动调整母,在通电的状态下,使&达到表中规定值,然后再拧紧螺钉。 主要性能参数:
规格
size
额定动力矩Rated DgnamicTorque
N.M
空载力矩Drag torque ( ≤ )N.M
接通时间Engagement Time ( ≤ )S
断开时间Disengagement Time( ≤ )S
额定电压Rated Voltage DC V
线圈消耗功率( 20 ℃ )Coil Consumption power ( 20 ℃ ) W
允许最高转速Allowed Max Revolution r/min
重量Weight kg
2.5
25
0.10
0.03
24
16.5
3500
2
5
50
0.20
0.14
0.04
20.5
3000
3
10
100
0.30
0.16
0.06
28.8
4.5
16
160
0.8
48
2500
5.9
250
1.2
0.27
0.15
53
2200
8.95
40
400
2.0
0.35
62
2000
13.45
80
800
4.0
79