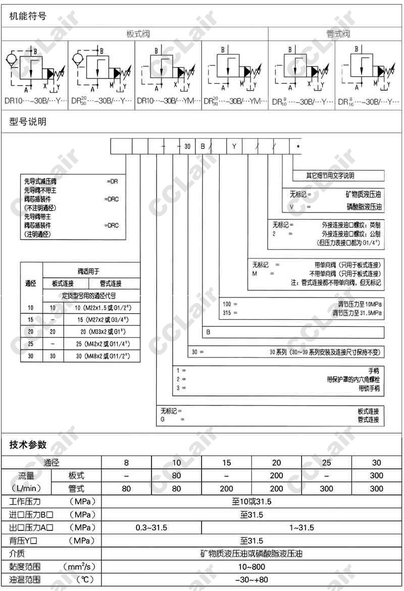
DR10,DR15,DR20,DR25,DR30,DRC10,DRC15,DRC20,DRC25,DRC30,DR10-1-30,DRC20-2-30,huade先导式减压阀
DR30-1-30,DR30-2-30,DR30-3-30,DR10G-1-30,DR10G-2-30,DR10G-3-30,DR15G-1-30,DR15G-3-30,
DR25G-3-30,DR10-2-30,DR10-3-30,DR20-1-30,DR20-2-30,DRC10-1-30,DRC10-2-30,DRC10-3-30,DRC20-1-30,
DRC30-1-30,DRC30-2-30,DRC30-3-30,CCLair DRC10G-1-30,DRC10G-2-30,DRC10G-3-30,DRC15G-1-30,
DRC15G-3-30,DRC20G-1-30,DRC20G-2-30,DRC20G-3-30,DRC25G-1-30,DRC25G-2-30,DR20G-1-30,
DRC30G-1-30,DRC30G-2-30,DRC30G-3-30,DRC15G-2-30,huade品牌 DRC20-3-30,DRC25G-3-30,DR20-3-30,