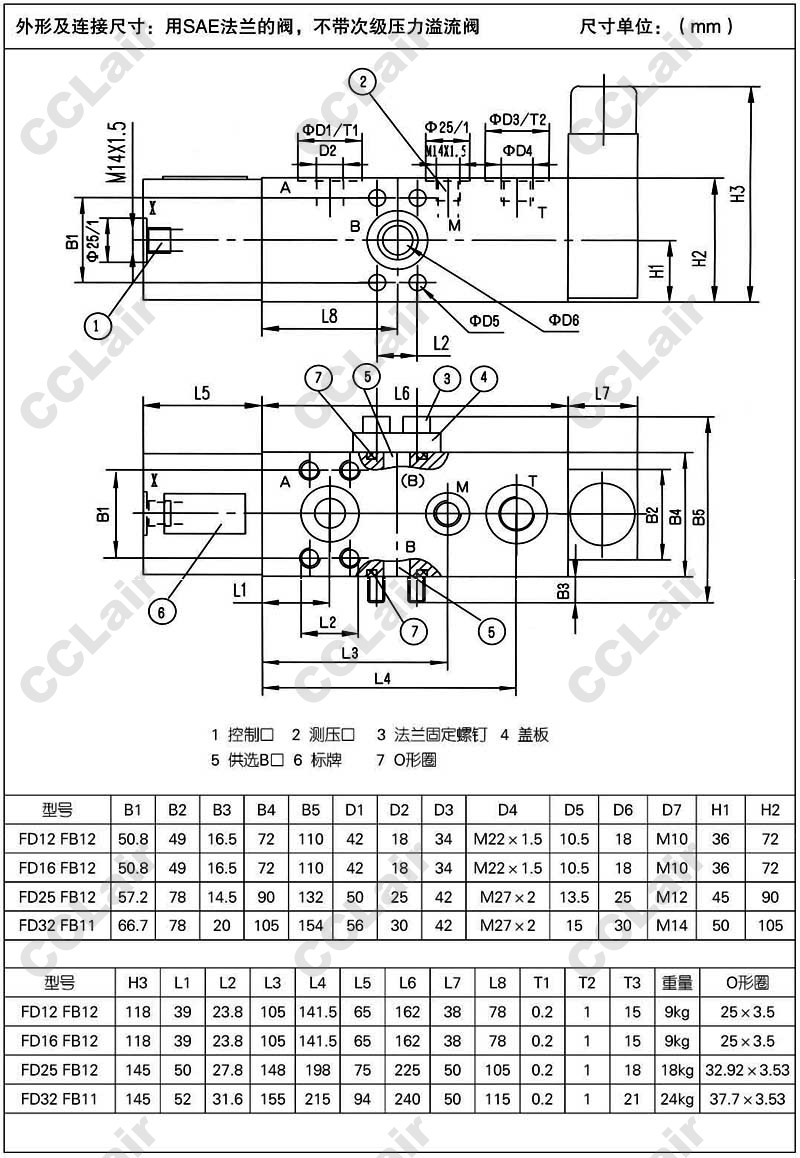
FD12,FD16,FD25,FD32,FD12PB11,FD16FB11,FD25PB11,FD32PB11,huade平衡阀
FD12KA12,FD12KA11,华德品牌 FD12KB12,FD12KB11,FD12PA12,FD12PA11,FD12PB12,
FD25KA12,FD25KA11,FD25KB12,CCLair FD25KB11,FD25PA12,FD25PA11,FD25PB12,
FD25FA12,FD25FA11,FD25FB12,FD25FB11,FD32FA12,FD32FA11,FD32FB12,FD32FB11,
FD32KA12,FD32KA11,huade品牌 FD32KB12,FD32KB11,FD32PA12,FD32PA11,FD32PB12,