返回
比例减压阀
首页
>
了解产品
>
液压元件 液压阀
>
比例阀 伺服阀
>
比例减压阀
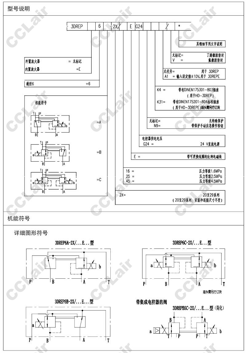
3DREP6,3DREPE6,3DREP6A-2X/16EG24,3DREPE6C-2X/45EG24,huade三通比例减压阀
2014-07-24 11:04
891
信息概况
价格:
未填
型号:
3DREP6,3DREPE6,3DREP6A-2X/16EG24,3DREPE6C-2X/45EG24,huade三通比例减压阀
发货:
3天内
发送询价
3DREP6,3DREPE6,3DREP6A-2X/16EG24,3DREPE6C-2X/45EG24,huade三通比例减压阀
3DREP6B-2X/16EG24,huade品牌 3DREP6C-2X/16EG24,3DREP6A-2X/25EG24,3DREP6B-2X/25EG24,
3DREP6A-2X/45EG24,3DREP6B-2X/45EG24,3DREP6C-2X/45EG24,华德品牌 3DREPE6A-2X/16EG24,4,
3DREPE6C-2X/16EG24,3DREPE6A-2X/25EG24,CCLair 3DREPE6B-2X/25EG24,3DREPE6C-2X/25EG24,
3DREPE6A-2X/45EG24,3DREPE6B-2X/45EG24,3DREPE6B-2X/16EG24,3DREP6C-2X/25EG24,
联系方式
姓名:销售员 1033(女士)
电话:
13812199898
传真:0510-82328771
地区:江苏-无锡市
地址:
无锡市会北路28-135
邮编:214000
QQ:
2355802921
0
人关注
0
人点赞
举报
评分:
分
扫一扫访问当前网页
复制链接
二维码
短信
邮件
关闭
同类了解产品
ERG-03-A-20T,ERG-03-A-1-20T,ERG-03-B-1-20T,ERG-03-B-20T,电液比例减压阀YUKEN
A-ERG-02-A1-D12,A-ERG-02-A2-D12,A-ERG-02-A3-D12,直动式三通电磁比例减压阀
A-ERG-03,A-ERG-06,A-ERG-03-A1-D12-P-C,A-ERG-06-A1-D12-P-C,先导式电磁比例减压阀
PDR08-01-C-N-20-12PG-2.2,PDR08-01-C-N-110-12PG-2.2,PDR08-01-C-N-200-12PG-2.2,HYDAC比例减压阀
PDR08-02-C-N-20-12PG-2.2,PDR08-02T-C-N-55-24PU-8.8,PDR08-02-C-N-20-24PG-8.8,HYDAC比例减压阀
PDR08Z-02-C-V-017V017-0,PDR08Z-02-C-V-029V029-0,PDR08Z-02-C-V-044V044-0,HYDAC比例减压阀
取消
发送询价
分享好友
了解产品首页
频道列表
我要评论