返回
盖板/插件
首页
>
了解产品
>
液压元件 液压阀
>
流量控制阀
>
盖板/插件
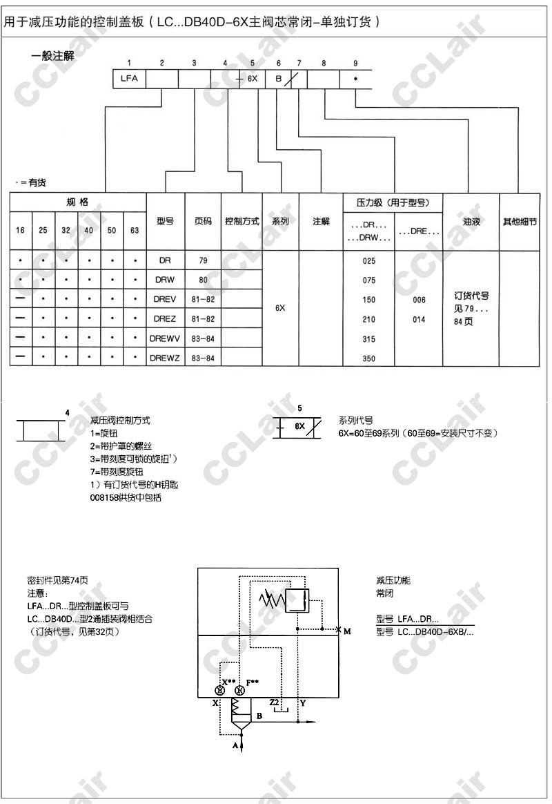
LFA16DRW-6X,LFA25DRW-6X,LFA32DRW-6X,LFA40DRW-6X,LFA50DRW-6X,LFA63DRW-6X,huade控制盖板
2014-07-24 08:18
712
信息概况
价格:
未填
型号:
LFA16DRW-6X,LFA25DRW-6X,LFA32DRW-6X,LFA40DRW-6X,LFA50DRW-6X,LFA63DRW-6X,huade控制盖板
发货:
3天内
发送询价
LFA16DRW-6X,LFA25DRW-6X,LFA32DRW-6X,LFA40DRW-6X,LFA50DRW-6X,LFA63DRW-6X,huade控制盖板
联系方式
姓名:销售员 1033(女士)
电话:
13812199898
传真:0510-82328771
地区:江苏-无锡市
地址:
无锡市会北路28-135
邮编:214000
QQ:
2355802921
0
人关注
0
人点赞
举报
评分:
分
扫一扫访问当前网页
复制链接
二维码
短信
邮件
关闭
同类了解产品
MK05EPX-2A3-17E2-A03-05,MK05EPX-LR140-17E2-A03-05,MK05EPX-2A3-PFC35-A03-05,winner积层盖板式油路板
MK05EPX-2A3-17E2-A03,MK05EPX-LP140-17E2-A03,MK05EPX-2A3-PFC35-A03,winner积层盖板式油路板
MK03RPW-N-8A2-A01,MK03RPW-N-PRBDA-A01,winner积层盖板式油路板
MK03RPE-08W2-8A2-A01,MK03RPE-RD3A-8A2-A01,MK03RPE-08W2-PRBDA-A01,MK03RPE-RD3A-PRBDA-A01,winner积层盖板式油
MK99FPX-N-13A2-A61,MK99FPX-N-PFC03-A61,MK99FPX-N-PFC06-A61,MK99FPX-N-PFC14-A61,winner积层盖板式油路板
MK03ERX-11A3-17E2-A03-05,MK03ERX-LR140-17E2-A03-05,MK03ERX-11A3-PFC35-A03-05,winner积层盖板式油路板
取消
发送询价
分享好友
了解产品首页
频道列表
我要评论