返回
柱塞泵及泵组
首页
>
了解产品
>
油泵 齿轮泵 组合泵
>
柱塞泵及泵组
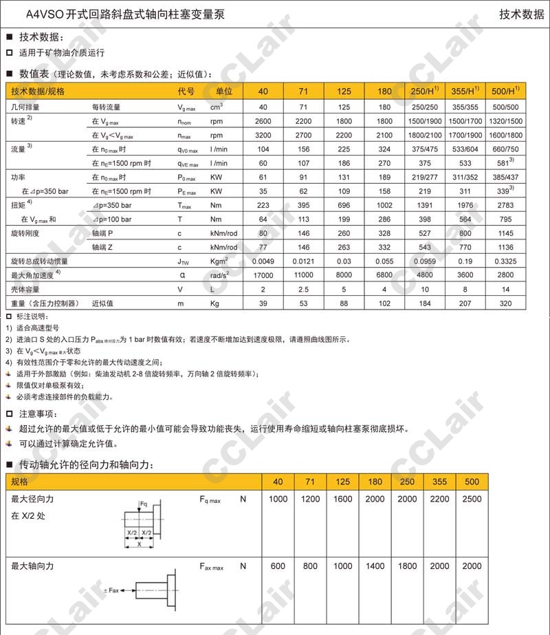
A4VSO250,A4VSO250DR/30R-PPB13N00,A4VSO250DP/30R-PPB13N00,A4VSO250LR/30R-PPB13N00,huade斜盘式轴向柱塞变量泵
2014-07-23 08:17
845
信息概况
价格:
未填
型号:
A4VSO250,A4VSO250DR/30R-PPB13N00,A4VSO250DP/30R-PPB13N00,A4VSO250LR/30R-PPB13N00,huade斜盘式轴向柱塞变量泵
发货:
3天内
发送询价
A4VSO250,A4VSO250DR/30R-PPB13N00,A4VSO250DP/30R-PPB13N00,A4VSO250LR/30R-PPB13N00,huade斜盘式轴向柱塞变量泵
A4VSO250EO/30R-PPB13N00,CCLair A4VSO250DFR/30R-PPB13N00,A4VSO250DFE1/30R-PPB13N00,
联系方式
姓名:销售员 1033(女士)
电话:
13812199898
传真:0510-82328771
地区:江苏-无锡市
地址:
无锡市会北路28-135
邮编:214000
QQ:
2355802921
0
人关注
0
人点赞
举报
评分:
分
扫一扫访问当前网页
复制链接
二维码
短信
邮件
关闭
同类了解产品
A7V80LV1.....F00,A7V80LV2.0....F00,A7V80DR1....F00,A7V80DR2.0...F00,A7V160LV1....F00,A7V160LV2.0....F00,A7V160EP1....F00,A7V160EP2.0....F00,A7V78LV1....F00,A7V78LV2.0....F00,A7V78DR1...F00,A7V78DR2.0...F00,A7V250LV5.1....F00,A7V107LV1....F00柱塞泵
A2F10R*P*A2F10L*P*A2F10W*P*A2F12R*P*A2F12L*P*A2F12W*P*A2F23R*P*A2F23L*P*A2F23W*P*A2F28R*P*A2F28L*P*A2F28W*P*A2F45R*P*A2F45L*P*A2F45W*P*A2F55R*P*A2F55L*P*A2F55W*P*A2F63R*P*A2F63L*P*A2F63W*P*A2F80R*P*A2F80L*P*A2F80W*P*A2F107R*P*A2F107L*P*A2F107W*P*柱塞泵
DB-N25,DB-N45,DB-N50 ,DB-N90,多点润滑泵
¥
999.00
DDB-2,DB-63,DDB-4,DDB-6,DDB-8,DDB-10,DDB-14,DDB-16,DDB-20,DDB-12, DBZ-63干油泵 多点润滑泵
¥
999.00
PH56-MSYR-21-CH-10,PH56-MSYR-21-CGH-10,PH56-MSYR-21-CVH-10,PH系列低噪音高压变量柱塞泵
PH56-MSYR-EDHS2-10,PH80-MSYR-EDHS2-10,PH100-MSYR-EDHS2-10,PH**-EDHS系列电控型柱塞泵
取消
发送询价
分享好友
了解产品首页
频道列表
我要评论