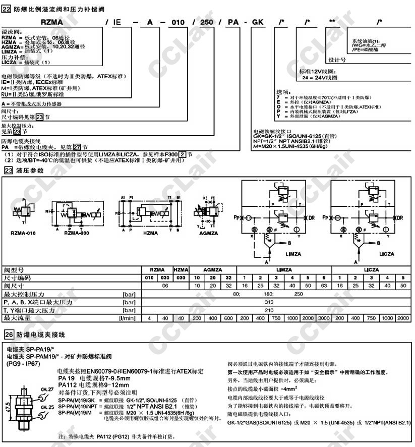
HZMA/IE-A-030,HZMA-A-030,HZMA-A-030/250/PA-M/24,HZMA/IE-A-030/250/PA-GK/O/24,阿托斯ATOS隔爆比例溢流阀
HZMA/IE-A-030/80/PA-GK/O/24,HZMA/IE-A-030/180/PA-GK/O/24,HZMA-A-030/80/PA-M/24,HZMA-A-030/180/PA-M/24,
HZMA/IE-A-030/80/PA-GK//7/24,HZMA/IE-A-030/180/PA-GK//7/24,HZMA/IE-A-030/250/PA-GK//7/24,
HZMA/IE-A-030/80/PA-NPT/O/24,阿托斯ATOS HZMA/IE-A-030/180/PA-NPT/O/24,HZMA/IE-A-030/250/PA-NPT/O/24,
HZMA/IE-A-030/80/PA-NPT//7/24,HZMA/IE-A-030/180/PA-NPT//7/24,HZMA/IE-A-030/250/PA-NPT//7/24,
HZMA/IE-A-030/80/PA-M/O/24,HZMA/IE-A-030/180/PA-M/O/24,HZMA/IE-A-030/250/PA-M/O/24,
HZMA/IE-A-030/80/PA-M//7/24,HZMA/IE-A-030/180/PA-M//7/24,阿托斯ATOS HZMA/IE-A-030/250/PA-M//7/24,
HZMA-A-030/80/PA-GK/24,HZMA-A-030/180/PA-GK/24,HZMA-A-030/250/PA-GK/24,
HZMA-A-030/80/PA-NPT/24,HZMA-A-030/180/PA-NPT/24,HZMA-A-030/250/PA-NPT/24,