返回
压力控制阀
首页
>
了解产品
>
稀油润滑系统设备
>
干油通用部件
>
压力控制阀
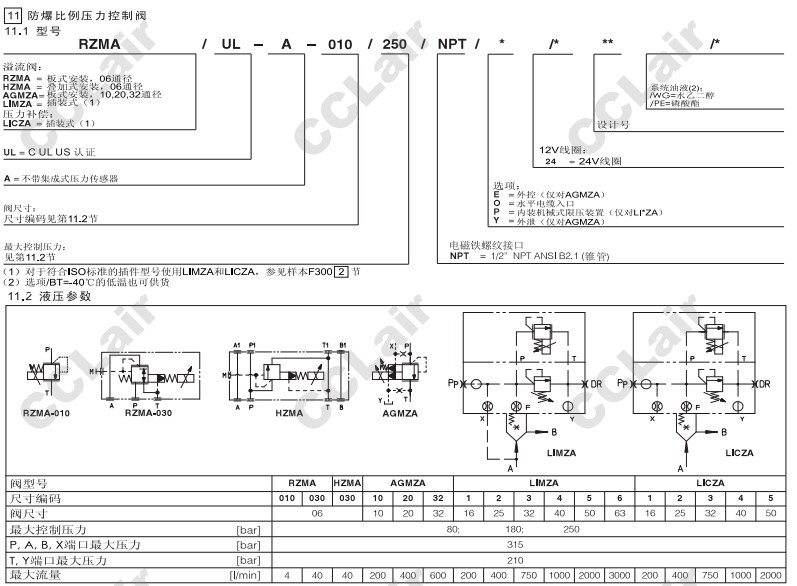
RZMA/UL-A-010,RZMA/UL-A-030,RZMA/UL-A-030/250/NPT/O/24,RZMA/UL-A-010/80/NPT/O/24,阿托斯ATOS防爆比例压力控制阀
2014-06-26 11:02
839
信息概况
价格:
未填
型号:
RZMA/UL-A-010,RZMA/UL-A-030,RZMA/UL-A-030/250/NPT/O/24,RZMA/UL-A-010/80/NPT/O/24,阿托斯ATOS防爆比例压力控制阀
发货:
3天内
发送询价
RZMA/UL-A-010,RZMA/UL-A-030,RZMA/UL-A-030/250/NPT/O/24,RZMA/UL-A-010/80/NPT/O/24,阿托斯ATOS防爆比例压力控制阀
RZMA/UL-A-010/180/NPT/O/24,RZMA/UL-A-010/250/NPT/O/24,阿托斯ATOS RZMA/UL-A-030/80/NPT/O/24,RZMA/UL-A-030/180/NPT/O/24,
联系方式
姓名:销售员1374(女士)
电话:
13861877712
传真:0510-82328771
地区:江苏-无锡市
地址:
无锡市会北路28-135
邮编:214001
QQ:
2355802921
0
人关注
0
人点赞
举报
评分:
分
扫一扫访问当前网页
复制链接
二维码
短信
邮件
关闭
同类了解产品
CRV-092/102/063/093/T11/T02/T17,CRV/CRQ-062 CMD-082,CMR-082/092,,CVB-063/093/T11/T02/T17压力控制阀
P8819-03-1/2,P8819-06-3/4,P8839-03-1/2,P8839-06-3/4,DYNEX锥形压力控制阀
8820-01,8820-02,DYNEX压力控制阀
YK6,YK10,YK20,YK30,YK6S,YK10S,YK20S,YK30S,YK130S,YK130,YK306,YK306S,压力控制阀
DBDSB-1L-250-2-3,DBDSB-1L-160-2-3,DBDSB-1L-070-3-3,DBDSB-1L-045-4-3,Bucher压力控制阀
DBDSB-1LG-210-2-3,DBDSB-1LG-070-3-3,DBDSB-1LG-160-2-3,Bucher压力控制阀
取消
发送询价
分享好友
了解产品首页
频道列表
我要评论