PVWS-130M05B0001R01SVVALR000A2002800000009210910,定量和变量开式回路柱塞泵
PVWF-130M05R00G1R02SVPASPC03A0000000000000022120,PVWR-130M05R0001R02SVPASPC03A0000000000000022120,
PVWS-180M05L00C1R02SNVADF000A1000000000005002110,PVWS-180M05L00C1R01SNVADF000A1000000000005002110,威格士-Vickers
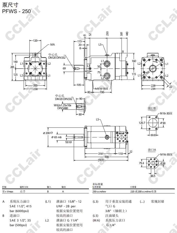
PFWS-250M07L0001R01SN0A00000A0000000000000000010,PFWS-250M07R00A1R01SV0A00000A0000000000000000010,
PFWS-250M07R0001R01SV0A00000A0000000000000000010,PVWS-250M07R0001R02SVVADF000A1000000000000000010,
PVWS-250M07R0001R01SN0ADF000A0000000000000000010,PVWS-250M07R0001R01SV0ADF000A0000000000000000010,
PVWS-250M07R0001R01SV0ADF000A0F00000000000000010,PVWS-250M07R0001R01SVVADF000A0F00000000000000010,
PVWS-250M07R00H1R01SVVADF000A0000000000000024510,PVWS-250M07R00A1R01SNMASPC03A00000E0000000000010,
PVWS-250M07R00B1R01SVMASPA00A4000000000000000010,PVWS-250M07R00P1R01SVMASPC03A00000E0000000000010,
PVWS-250M07R0001R01SVMASPC03A0000000000000000010,PVWS-250M07R0001R01SVP0SPA00A0000000000000018710,
PVWS-250M07R0001R01SVMASPC03A5F09000000000000010,PVWS-250M07R0001R01SVVADF000A0000000000000000010,
PVWS-250M07R0001R01SVVADF000A1000000000000000010,PVWS-250M07R00B1R01SVVADF000A000000100H000018910,
PVWS-250M07R00C1R01SVVADF000A1000000000000000010,PVWS-250M07R0001R01SCVADF000A0000000000000000010,
PVWS-250M07R0001R01SVVADF000A000000100H000000010,PVWF-250M07R40C1R02SVVADF000A0F0000100H004303010,
PVWF-250M07L00E1R02SVVADF000A0000000000000000010,PVWR-250M07R4001R02SVVADF000A0000000000004403110,
PVWS-250M07R0001A02SVVADF000A1000000000000000010,PVWS-250M07L0001A02SVVADF000A1000000000000000010,
PVWS-250M07R0001R01SV0ALR000A3007500000000000010,PVWF-250M07R00C1R02SVPASPA00A5003700000006506310,
PVWR-250M07R0001R02SVPASPA00A5003700000006506310,PVWS-250M07R00C1R01SVMALR000A2F1100100H000000010,
PVWS-250M07R00C1R01SV0ALR000A3003000000000000010,PVWS-250M07R0001R01SV0ALR000A2007500000000000010,
PVWS-250M07R00C1R01SVMALR000A2K11000000000020510,PVWS-250M07R00C1R01SVVALR000A2011500000018225010,
PVWS-250M07L0001R01SV0ADF000A1000000000000000010,PVWF-250M07R40C1R02SVVADF000A0F00000000010100010,
PVWR-250M07R4001R02SVVADF000A0F00000000010200010,威格士-VickersPVWR-250M07R00C1R02SVVADF000A0000000000016800010,
PVWS-250M07R00C1R02SV0ADPH00A0000000000000015411,PVWS-250M07R0001R01SVVADPJ00A5005500000000000011,
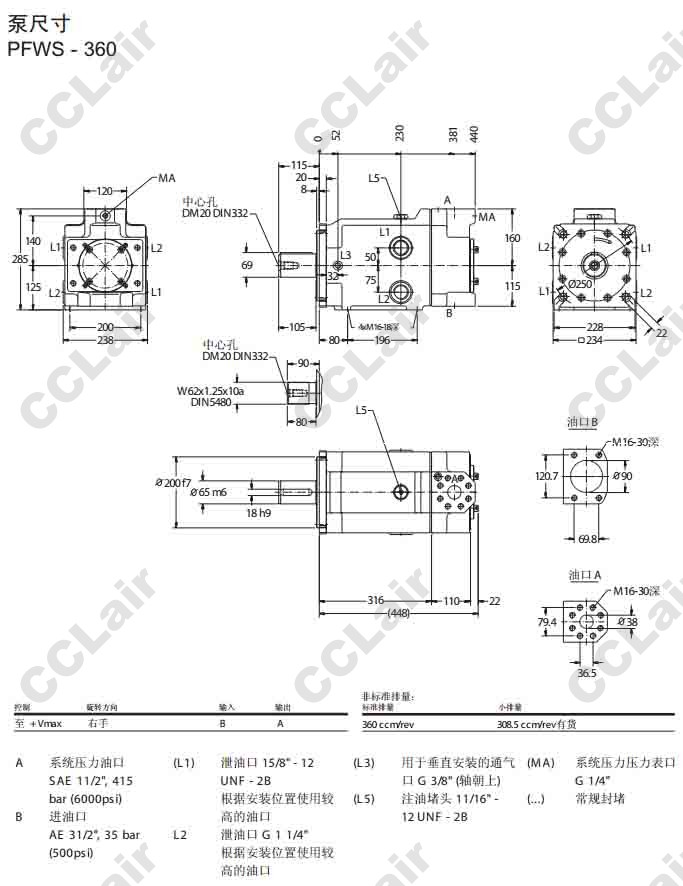
PVWS-250M07R00C1R02SVVADPJ00A4000000000000000011,PFWS-360M07R0001R01SV0A00000A0000000000000000010,
PFWS-360M07R00B1R01SC0A00000A0000000000000000010,PFWS-360M07R0001R01SV0A00000A0000000000000026410,
PVWS-360M07R0001R01SVVADF000A0F00000000000000010,PVWF-360M07R00C1R02SNMASPC00A40000E100H000006410,
PVWR-360M07R00C1R02SNMASPC00A40000E100H000006510,PVWS-360M07R00P1R01SVMASPC03A5K09000000000000010,
PVWS-360M07R00P1R01SVMASPC03A4F000E0000000000010,PVWS-360M07R0001R02SVVADF000A1000000000000000010,
PVWS-360M07R0001R01SVVADF000A0000000000000000010,PVWS-360M07R0001R01SVVADF000A000000100H000000010,
PVWS-360M07R0001R01SC0ADF000A0000000000000000010,PVWS-360M07R0001R01SCVADF000A0000000000000000010,
PVWS-360M07R0001R01SVM0DF000A000000100B000000010,PVWS-360M07R0001R01SVM0DF000A0F00000000000000010,
PVWS-360M07R0001R01SVVALR000A2007500000000000010,PVWS-360M07R0001R01SV0ALR000A2007500000000000010,
PVWS-360M07R0001R01SVVADPH00A5F20000000000000011,PVWS-250M07R0001R01SN0ADF00000000000000007407310,
PVWS-500M08R00C1R01SNVADF000A0F00000000000000010,PVWS-500M08L0001R02SVVADF000A1000000000000000010,
PVWS-500M08L0001R01SVVADF000A1000000000000000010,PVWS-500M08R0001R01SV0ADF000A0000000000000000010,
PVWS-500M08R00C1R02SVMASPC03A5F15000000000000010,PVWS-500M08R00A1R01SBVASPA00A0000000000010913410,
PVWS-500M08L5001R02SVPASPA00A0000000000012516210,PVWS-500M08L0001R01SVVADF000A0F00001000017223010,
PVWS-500M08R0001R01SV0ALR000A2009000000000000010,PVWF-500M08R00H1R02SVVADPH00A0000000000016900011,
PFWS-500M08L0001R01SV0A00000A0000000000000000010,PFWS-500M08R0001R01SV0A00000A0000000000000000010,
PFWF-500M08R00E1R02SV0A00000A0000000000000000010,PVWS-500M08R00A1R01SBVASPA00A0000000000003202610,
PVWS-500M08R0001R01SVMASPC03A5F16000000000000010,PVWS-500M08L0001A01SV0ASP000A0000000000000007710,
PVWS-750M08R0001R02SNVADF000A0000000000000000010,威格士-Vickers