返回
顺序阀
首页
>
了解产品
>
液压元件 液压阀
>
压力控制阀
>
顺序阀
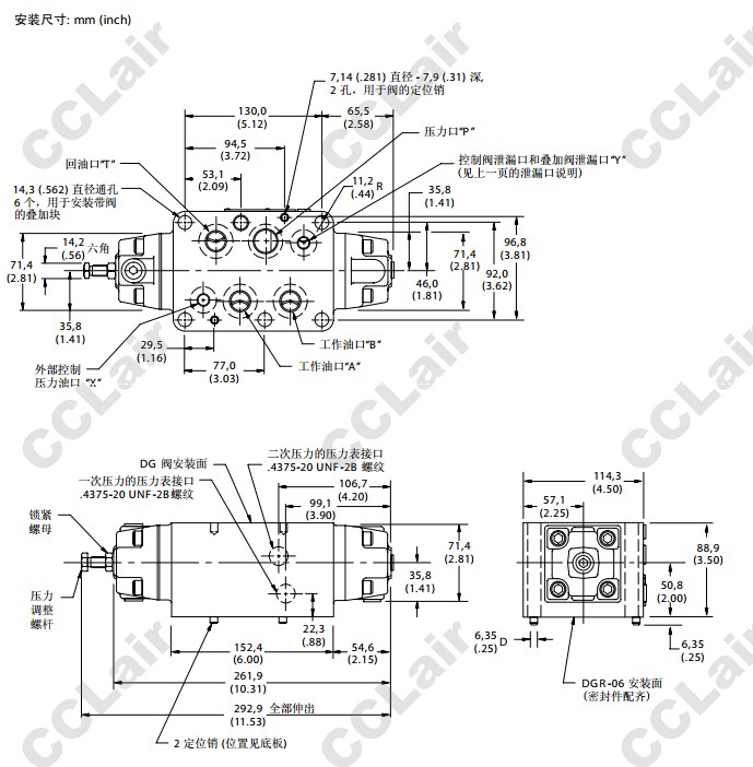
DGR-06,DGR-06-X2-50,DGR-06-Y2-50,DGR-06-Z2-50,DGR-06-A2-50,DGR-06-F2-50,威格士-Vickers,叠加顺序阀
2014-05-06 11:11
833
信息概况
价格:
未填
型号:
DGX-06,DGX-H06,DGX-06-3F-60,DGX-06-3FL-60,DGX-06-3FE-60,叠加减压阀
发货:
3天内
发送询价
DGR-06,DGR-06-X2-50,DGR-06-Y2-50,DGR-06-Z2-50,DGR-06-A2-50,叠加顺序阀
DGR-06-B2-50,DGR-06-D2-50,DGR-06-F2-50,威格士-Vickers
联系方式
姓名:销售员1105(女士)
电话:
13861877712
传真:0510-82308771
地区:江苏-无锡市
地址:
无锡市会北路28-135
邮编:214001
QQ:
2355802921
0
人关注
0
人点赞
举报
评分:
分
扫一扫访问当前网页
复制链接
二维码
短信
邮件
关闭
同类了解产品
CS1-063-L10N,CSV-063/093/T11/T02/T17-L10N,油压顺序阀
KPSA系列单向压力顺序阀
X-D6B,XY-D6B,AX-D6B,AXY-D6B,顺序阀
X-D10B,X1-D10B,XY-D10B,XY1-D10B,AX1-D10B,AXY-D10B,顺序阀
X-Ha6D-P-1,X-Hg6D-P-1,X-Fa6D-P-1,X-Fg6D-P-1,叠加式顺序阀
2X-Ha6D-AB/BA-1,2X-Hc6D-AB/BA-1,2X-Fa6D-AB/BA-1,2X-Fc6D-AB/BA-1,叠加式顺序阀
取消
发送询价
分享好友
了解产品首页
频道列表
我要评论