DG17V-3,DG17V-3-0A-60,DG17V-3-2A-60,DG17V-3-6A-60,DG17V-3-22A-60,方向控制阀
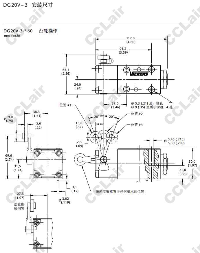
DG20V-3-0A-60,DG20V-3-2A-60,DG20V-3-6A-60,DG20V-3-22A-60,DG20V-3-0A2-60,DG20V-3-2A2-60,
DG20V-3-6A2-60,DG20V-3-33A2-60,DG20V-3-0A2L-60,DG20V-3-2A2L-60,DG20V-3-6A2L-60,DG20V-3-33A2L-60,
DG17V-3-0C-60,DG17V-3-2C-60,DG17V-3-6C-60,威格士-VickersDG17V-3-7C-60,DG17V-3-33C-60,DG20V-3-0C-60,DG20V-3-2C-60,
DG20V-3-6C-60,DG20V-3-33C-60,DG17V-3-8C-60,DG17V-3-0N-60,DG17V-3-2N-60,DG17V-3-6N-60,
DG17V-3-7N-60,DG21V-3-2A-60,DG21V-3-2AL-60,DG17V-3-33N-60,