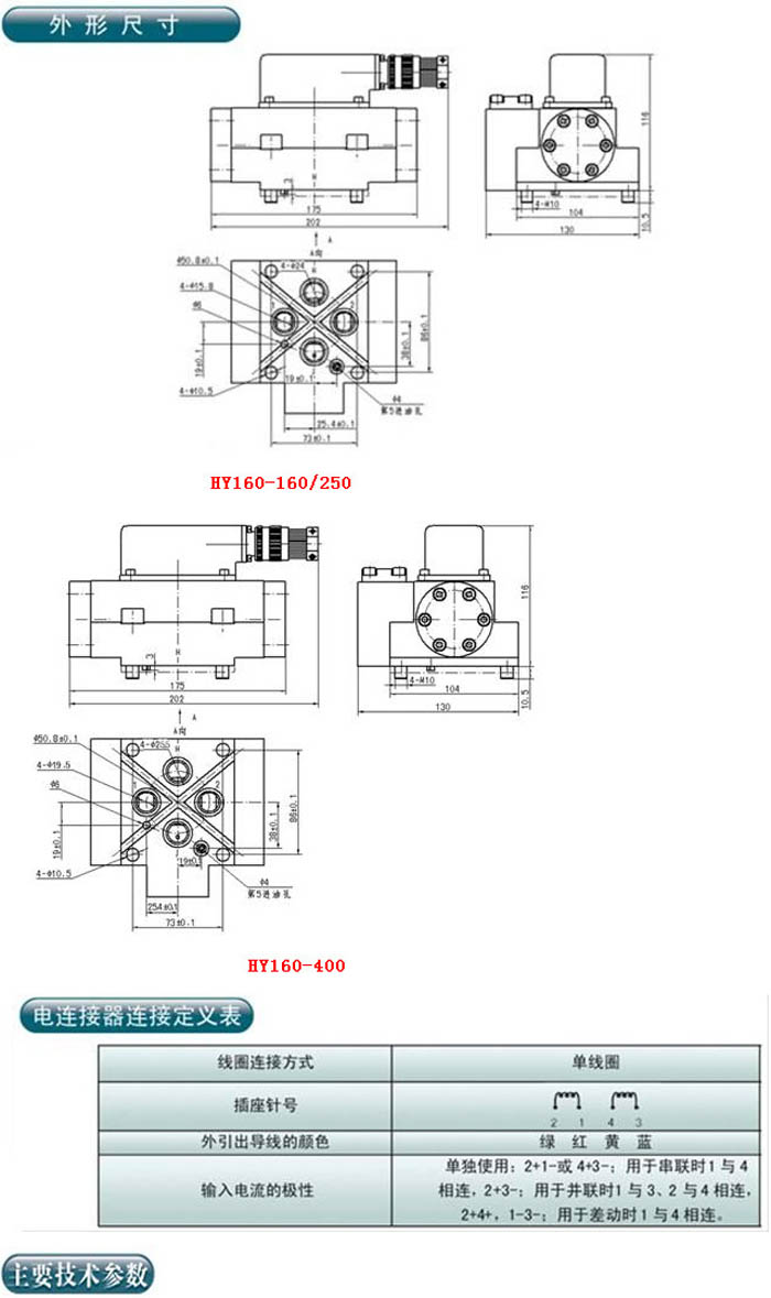
HY160,HY160-160/250,HY160-400,电液流量工业伺服阀
|
产品型号
|
HY160
|
|
额定供油压力范围Ps(MPa)
|
2~31.5
|
|
额定流量Qn(L/min)
|
120、160、250、400
|
|
额定流量容差(%)
|
±10
|
|
额定电流In(mA)
|
15
|
40
|
|
线圈电阻(Ω)
|
200
|
80
|
|
滞环(%)
|
≤4
|
|
分辨率(%)
|
≤1
|
|
非线性度(%)
|
≤7.5
|
|
不对称度(%)
|
≤10
|
|
零偏(%)
|
≤±2
|
|
重叠(%)
|
≤±2.5
|
|
内漏 (L/min)
|
≤3.6~8.5
|
|
压力增益(1%Ps/1%In)
|
>30
|
|
温度零漂(△T=40℃)(%)
|
≤2
|
|
供油压力零漂(△ Ps=7 MPa)(%)
|
≤2
|
|
回油压力零漂(△ PT=4 MPa)(%)
|
≤2
|
|
加速度零漂△a=10g(%)
|
≤2
|
|
频率特性
|
幅频宽(-3dB)(Hz)
|
≥35
|
≥30
|
≥20
|
|
(160L/min)
|
(250L/min)
|
(400L/min)
|
|
相频宽(-90°)(Hz)
|
≥35
|
≥30
|
≥20
|
|
(160L/min)
|
(250L/min)
|
(400L/min)
|
|
油液环境要求 (推荐)
|
常规使用
|
ISO4406≤15/12, NAS 1638 6级,滤芯β10≥200[10µm)]
|
|
|
长寿命使用
|
ISO4406≤13/10, NAS 1638 4级,滤芯β3≥200[3µm]
|
|
温度范围(℃)
|
-25~105
|
|
质量(Kg)
|
≤3.8
|