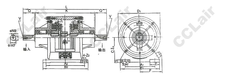
规格 Size
额定动力矩 Rated Dynamic Torque N.m
静力矩 Static Torque N.m
额定电压 Rated Voltage DCV
线圈消耗功率 ( 20 ℃ ) Coil Consumption power ( 20 ℃ ) W
允许最高转速 Allowed Max Revolution r/min
离合器 Clutch
制动器 Brake
0.5
5
5.5
24
12
4000
1
10
11
16
2
20
22
4
40
45
25
8
80
90
36
38
3000
160
175
46
250
275
50
49
2000
55
500
550
65
61
1500
100
1000
1100
66
31
A1
A2
B1
F
L
V
ф