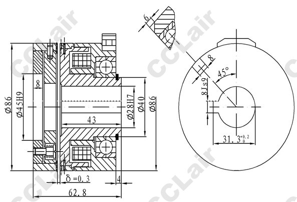
DLYD-5A,牙嵌式电磁离合器 ㈠、主要用途:离合器主要用于机械传动系统中,可在主、从动部分相对转速较低或为零情况下,实现从动部分与主动部分的结合,从而起到起停换向、定位等目的。广泛用于金属加工机械、冶金轧钢机械、包装机械、医疗机械、食品加工机械、纺织印染机械、造纸机械、精密机床等行业。 ㈡、离合器在下列条件下能可靠工作: 1、离合器安装地点海拔不超过2000m; 2、周围环境温度-5℃~+40℃; 3周围介质中无爆炸危险,且无足以腐蚀金属和破坏绝缘的气体及导电尘埃; 4、离合器线圈电压波动不超过+5%和-15%额定电压; 5、离合器可在有润滑和无润滑情况下工作。 ㈢、安装: 1、离合器可水平安装也可垂直安装,安装在轴上的离合器应保持主动轴与从动轴之间的同轴度不大于0.05mm并保证工作间隙δ值; 2、离合器安装前两端面齿应清洗干净; 3、离合器主、从动部分轴向需固定,不许有轴向窜动。
规格
额定传递力矩N.M
额定电压
D.C.V
线圈消耗功率(20℃)W
允许最高结合转速
r/min
允许最高转速
5A
50
24
4500