DLD4-8500A,单片电磁离合器
㈠、主要用途:离合器主要用于机械传动系统中,可在主、从动部分相对转速较低或为零情况下,实现从动部分与主动部分的结合,从而起到起停换向、定位等目的。广泛用于金属加工机械、冶金轧钢机械、包装机械、医疗机械、食品加工机械、纺织印染机械、造纸机械、精密机床等行业。
㈡、离合器在下列条件下能可靠工作:
1、离合器安装地点海拔不超过2000m;
2、周围环境温度-5℃~+40℃;
3周围介质中无爆炸危险,且无足以腐蚀金属和破坏绝缘的气体及导电尘埃;
4、离合器线圈电压波动不超过+5%和-15%额定电压;
5、离合器可在有润滑和无润滑情况下工作。
㈢、安装:
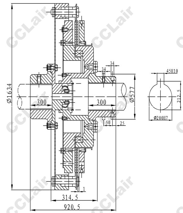
1、离合器可水平安装也可垂直安装,安装在轴上的离合器应保持主动轴与从动轴之间的同轴度不大于0.05mm并保证工作间隙δ值;
2、离合器安装前两端面齿应清洗干净;
3、离合器主、从动部分轴向需固定,不许有轴向窜动。
主要性能参数
|
型号
|
额定静力矩
N.m
|
额定电压
D.C.V
|
线圈消耗功率(20℃)W
|
允许最高转速 r/min
|
|
DLD4-8500A
|
85400
|
125
|
827
|
180
|
