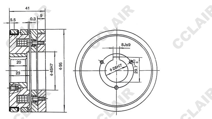
规格 Size
额定传递力矩 Rated Transmitting Torque N·m
额定电压: RatdVoltge V
线圈消耗功率 (20℃) Coil Consumption power(20℃) W
允许最高结合转速 Max Engagement Revolution r/min
允许最高转速 Allowed Max Revolution r/min
16A
160
24
25
3500