DLY5-2A,DLY5-5A,DLY5-10A,DLY5-16A,DLY5-25A,DLY5-40A,DLY5-63A,DLY5-100A,DLY5-160A,DLY5-250A,牙嵌式有滑环电磁离合器
DLY5(EZE系列)牙嵌式有滑环电磁离合器是一种用于机械传动系统中,借助电磁力操作,使旋转运动的驱动侧部分与从动侧部分相结合或分离,从而实现动力和运动传递的执行元件.
离合器的标准工作电压为直流24伏.在一般情况下,只需采用开关、按钮、接触器、行程开关等普通电器元件组成的简单电路,就能方便的对其实现自动、远程控制,从而满足机械传动系统的变速、换向、起动及定位等各种要求。
该系列离合器是借助端面细牙的啮合来传递力矩的,因此与相同规格的摩擦片式离合器相比,体积小,无摩擦发热,断电后完全分离,无空载力矩,而且既能适应于湿式工作也能适用于干式工作。离合器为刚性结合,它只能在转速较低的条件下结合,若在静止时或在相对转速同步的情况下结合则最为适宜。
离合器在下列条件下能可靠的工作:
1.周围空气温度为-5℃--+40℃。
2.在无爆炸危险的介质中,且介质中无足以腐蚀金属和破坏绝缘的气体及导电尘埃。
3.离合器需在有润滑油的条件下工作。
4.离合器线圈的电压波动不超过+5%和-15%的额定电压。
5.离合器安装地点的海拔不超过2000米。
|
规格
Size
|
额定传递力矩
Rated Transmitting
Torque
N·m
|
额定电压:
Rated Voltage
DCV
|
线圈消耗功率 (20℃)
Coil Consumption
power(20℃)
W
|
允许最高结合转速
Max Engagament
Revolution
r/min
|
允许最高转速
Allowed Max
Revolution
r/min
|
重量
Weight
kg
|
|
2A
|
20
|
24
|
17
|
60
|
5500
|
0.9
|
|
5A
|
50
|
24
|
22
|
50
|
4500
|
1.5
|
|
10A
|
200
|
24
|
28
|
30
|
4000
|
2.3
|
|
16A
|
160
|
24
|
32
|
30
|
3500
|
3.0
|
|
25A
|
250
|
24
|
44
|
20
|
3300
|
4.3
|
|
40A
|
400
|
24
|
58
|
10
|
3000
|
6.2
|
|
63A
|
630
|
24
|
60
|
相对静止
|
2500
|
8.9
|
|
100A
|
1000
|
24
|
73
|
相对静止
|
2200
|
14.0
|
|
160A
|
1600
|
24
|
87
|
相对静止
|
2000
|
20.0
|
|
250A
|
2500
|
24
|
85
|
相对静止
|
1700
|
34.0
|
|
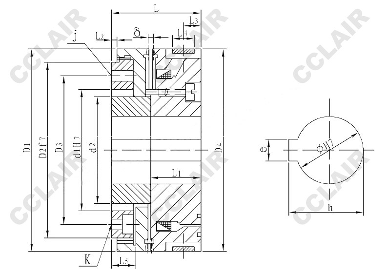
规格Size
|
径向尺寸 Radil Demensions
|
轴向尺寸 Axial Demensions
|
电刷型号
Brush Model
|
|
D1
|
D2
|
D3
|
D4
|
d1
|
d2
|
ф
|
h
|
e
|
j
|
k
|
L
|
L1
|
L2
|
L3
|
L4
|
L5
|
δ
|
|
2A
|
75
|
65
|
55
|
75
|
45
|
39.5
|
25
|
27.60+0.14
|
80+0.03
|
2×4
|
4-M4
|
33
|
18.6
|
1.5
|
6.5
|
8
|
8
|
0.4
|
湿式使用
DS-005
干式使用
DS-006
|
|
5A
|
90
|
75
|
64
|
90
|
53
|
49
|
30
|
32.60+0.17
|
80+0.03
|
2×5
|
4-M5
|
40
|
24.1
|
2
|
6.5
|
8
|
9
|
0.5
|
|
10A
|
105
|
85
|
75
|
105
|
65
|
57
|
40
|
42.90+0.17
|
120+0.035
|
2×5
|
4-M5
|
45
|
26.6
|
2
|
6.5
|
8
|
10.5
|
0.5
|
|
16A
|
115
|
100
|
85
|
115
|
70
|
62
|
45
|
43.80+0.17
|
140+0.035
|
2×6
|
4-M6
|
50
|
29.6
|
2
|
6.5
|
8
|
12.5
|
0.5
|
|
25A
|
125
|
105
|
90
|
125
|
75
|
68
|
50
|
53.60+0.2
|
160+0.035
|
2×8
|
4-M6
|
58
|
33.
|
2.5
|
6.5
|
8
|
15.5
|
0.6
|
|
40A
|
140
|
115
|
100
|
140
|
85
|
74
|
60
|
640+0.4
|
180+0.035
|
2×10
|
6-M6
|
67
|
40
|
2.5
|
7.5
|
10
|
17
|
0.6
|
|
63A
|
160
|
130
|
115
|
160
|
95
|
85
|
70
|
74.30+0.2
|
200+0.045
|
2×10
|
6-M8
|
75
|
42
|
3
|
7.5
|
10
|
19.5
|
0.7
|
|
100A
|
185
|
155
|
135
|
182
|
115
|
97
|
70
|
74.30+0.2
|
200+0.045
|
2×12
|
6-M8
|
85
|
49
|
3
|
7.5
|
10
|
21
|
0.7
|
|
160A
|
215
|
180
|
l58
|
215
|
130
|
114
|
85
|
95.80+0.4
|
22js9
|
2×12
|
6-M10
|
100
|
58
|
3.5
|
8.5
|
10
|
25.5
|
0.9
|
DS-010
|
|
250A
|
250
|
210
|
190
|
250
|
150
|
130
|
85
|
95.80+0.4
|
22js9
|
2×12
|
6-M12
|
115
|
66
|
3.5
|
8.5
|
10
|
26
|
0.9
|
DLY5-250A,DLY5-250AS,DLY5-560AH,DLY5-800A,DLY5-100X,DLY5-160A牙嵌式电磁离合器
DLY5-160AF,DLY5-100AS,DLY5-100B,DLY5-100D,DLY5-100AF,DLY5-100AH牙嵌式电磁离合器
DLY5-100AJ,DLY5-63AY,DLY5-63E,DLY5-100A,DLY5-63A,DLY5-63AJ牙嵌式电磁离合器
DLY5-63AS,DLY5-40AL,DLY5-40AN,DLY5-40L,DLY5-25A,DLY5-25AS牙嵌式电磁离合器
DLY5-40A,DLY5-16AL,DLY5-16AS,DLY5-16AW,DLY5-10A,DLY5-16A,牙嵌式电磁离合器
DLY5-16AD,DLY5-2A,DLY5-2AD,DLY5-5A,牙嵌式电磁离合器