返回
其他泵类
首页
>
了解产品
>
油泵 齿轮泵 组合泵
>
其他泵类
KP-1403A,起斗泵
2014-03-11 12:16
666
信息概况
价格:
未填
发货:
3天内
发送询价
KP-1403A,起斗泵,无锡昌林
产品介绍:
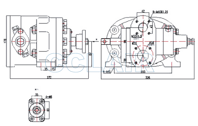
规格:KP-1403A起斗泵
说明:本系列产品主要用于10-20吨自卸车的液压系统中,作为倾斗油缸的液压动力源,泵上装有与泵体内联的操纵阀,可通过操纵杆控制车斗的举升和降落.
理论排量:136ml/r 额定压力:80kgf/cm2 控制阀杆的钢丝作用力:15kg 油泵总质量:37kg 最高压力:210kgf/ cm2
工作条件:油液温度范围: -20℃--80℃ 液压油粘度范围: 10--75c.s.t. 油液过滤精度:<=25um 吸油高度:<=500mm 驱动:采用挠性联轴器直接驱动 旋转方向:逆时针(从轴端看)
联系方式
姓名:销售员1335(女士)
电话:
13812199898
传真:0510-82328771
地区:江苏-无锡市
地址:
无锡市会北路28-135
QQ:
2355802919
0
人关注
0
人点赞
举报
评分:
分
扫一扫访问当前网页
复制链接
二维码
短信
邮件
关闭
同类了解产品
DCM0110,DCM0408,DCM0607,DCM0805,DCM1104,DCM1502,DCM2001,DCM0110,DCM0408,DCM0607,DCM0805,DCM1104,DCM1502,DCM2001,DCM0110,DCM0408,DCM0607,DCM0805,DCM1104,DCM1502,DCM2001,DCM0110,DCM0408,DCM0607,DCM0805隔膜泵
66605J-344-C,666120-3EB-C,666120-344-C,6661A3-3EB-C,6661A3-344-C,66612B-3EB-C,66612B-244-C,666170-3EB-C,666170-344-C,6661T3-3EB-C,6661T3-344-C,66617B-3EB-C,66617B-244-C,666270-144-C,6662A3-3EB-C,6662A3-344-C,66627B-EEB-C,66627B-244-C,666320-EEB-C隔膜泵
DRB1-P120Z,DRB1-M120Z,DRB-M120Z,DRB2-P120Z,DRB2-M120Z,DRB-M235Z,电动润滑泵及装置
¥
999.00
DB-N25 新款,DB-N45 新款,DB-N50 新款,DB-N90 新款,多点润滑泵
¥
999.00
DRB1-P120Z,DRB1-M120Z,DRB-M120Z,DRB2-P120Z,DRB2-M120Z,DRB-M235Z,电动润滑泵及装置
¥
999.00
DRB1-P120Z,DRB1-M120Z,DRB-M120Z,DRB2-P120Z,DRB3-P120Z,DRB3-M120Z,DRB-M365Z,DRB2-M120Z,DRB-M235Z,电动润滑泵及装置
¥
999.00
取消
发送询价
分享好友
了解产品首页
频道列表
我要评论