返回
分流阀
首页
>
了解产品
>
液压元件 液压阀
>
流量控制阀
>
分流阀
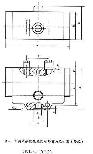
3FJLZ-L40-160,分流集流阀
2014-02-26 14:43
1457
信息概况
价格:
未填
型号:
3FJLZ-L40-160,
发货:
3天内
发送询价
3FJLZ-L40-160,分流集流阀,生产厂家,
3FJL
Z
-L40~160
名称:自调式分流集流阀
流量范围:40L/min~160L/min
压力等级:C级 14MPa 、D级 21MPa 、H级 31.5MPa 同步精度:0.5%~1%
联系方式
姓名:销售员 1017(先生)
电话:
13861877712
传真:0510-82308771
地区:江苏-无锡市
地址:
无锡市会北路28-135
邮编:214000
QQ:
2355802921
0
人关注
0
人点赞
举报
评分:
分
扫一扫访问当前网页
复制链接
二维码
短信
邮件
关闭
同类了解产品
3FJLZ-L2-16,3FJLZ-B2-16,3FJLZ-L10-50,3FJLZ-B10-50,3FJLZ-L30-160,3FJLZ-B30-160,3FJLZ-L40-160,3FJLZ-B40-160,3FJLZ-L60-200,3FJLZ-B60-200,3FJLZ-L100-320,3FJLZ-B100-320,3FJLZB-L3-12,3FJLZB-B3-12,3FJLZB-L9-54,3FJLZB-B9-54集流阀
FSBD-XBN,FSCD-XBN,FSDD-XBN,FSED-XBN,FSFD-XBN,FSBD-XBV,FSCD-XBV,FSDD-XBV,FSED-XBV,FSFD-XBV,FSBD-XCN,FSCD-XCN,FSDD-XCN,FSED-XCN,FSFD-XCN,FSBD-XCV,FSCD-XCV,FSDD-XCV,FSED-XCV,FSFD-XCV,分流阀
ZCQF2/1,ZCQF4/1,ZCQF6/1,ZCQF20/1,ZCQF40/1,ZCQF60/1,汽水分离器
FL-2-5A,FL-2-10A,FL-2-20A,FL-2-30A,FL-2-40A,FL-2-50A,FL-2-60A,FL-2-75A,直流分流器
YLF-5A,YLF-5B,YLF-5T,等量分流器
FYZ-27,分配阀
取消
发送询价
分享好友
了解产品首页
频道列表
我要评论