GY01-1.5/1.0,GY01-1.5*1.0,小型齿轮油泵
一、功能简介
GY01-1.5/1.0小型齿轮油泵是一种低压、小流量、外观美、体积小、重量轻、寿命长、工作可靠、维修方便的油泵,主要适用于各种机械的润滑系统,是摇臂钻产品的首选配件。
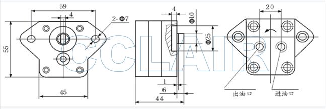
二、外形及安装尺寸
三、技术参数