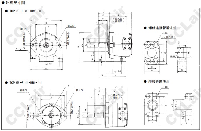
TCP2-L5,TCP2-L6.3,TCP2-L8,TCP2-L10,TCP2-L5-MR1-A,TCP2-L6.3-MR1-A,TCP2-L8-MR1-A,TCP2-L10-MR1-A, 内接式齿轮泵
TCP3-L12.5-MR1,TCP3-L165-MR1,TCP3-L20-MR1,TCP3-L25-MR1,
TCP4-L31.5-MR1,TCP4-L40-MR1,TCP4-L50-MR1,无锡昌林
TCP5-L80-MR1,TCP5-L100-MR1,TCP5-L125-MR1,
TCP2-F5-MR1-A,无锡昌林TCP2-F6.3-MR1-A,TCP2-F8-MR1-A,TCP2-F10-MR1-A,
TCP3-F12.5-MR1,TCP3-F165-MR1,TCP3-F20-MR1,TCP3-F25-MR1,
TCP4-F31.5-MR1,TCP4-F40-MR1,TCP4-F50-MR1,