返回
齿轮马达
首页
>
了解产品
>
油泵 齿轮泵 组合泵
>
液压马达/气动马达
>
齿轮马达
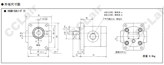
HGM-OA1-F1,HGM-OA1-F2,HGM-OA1-F3,外接式齿轮马达
2014-02-25 12:27
971
信息概况
价格:
未填
型号:
HGM-OA1-F1,HGM-OA1-F2,HGM-OA1-F3,
发货:
3天内
发送询价
HGM-OA1-F1,HGM-OA1-F2,HGM-OA1-F3,外接式齿轮马达
联系方式
姓名:销售员1316(女士)
电话:
13861877712
传真:0510-82326771
地区:江苏-无锡市
地址:
无锡市会北路28-135
QQ:
2355802921
0
人关注
0
人点赞
举报
评分:
分
扫一扫访问当前网页
复制链接
二维码
短信
邮件
关闭
同类了解产品
MF7600-A/B/C-1-SG-80/100/125/150-S MF7600-A/B/C-2-SG-165/180/200-SMF7600齿轮马达
MF124-A/B/C-1/3/5-BD-5/10/15/20-S MF124-A/B/C-2/4/6-BD-25/30/35/40-S,MF124齿轮马达
MF5100-A/C/E-1/3/5-SC-25/32/40-S MF5100-B/D/E-2/4/5-SC-50/63/80-S,齿轮马达MF5100
1MM1P01,1MM1P02,1MM1P27,1MM1P35,1MM1P04,1MM1P05,1MM1P06,1MM1P07,HONOR双向齿轮马达
2MM1P04,2MM1P05,2MM1P06,2MM1P07,2MM1P08,2MM1P09,2MM1P11,2MM1P14,2MM1P16,2MM1P18,2MM1P20,2MM1P22,2MM1P24,2MM1P26,2MM1P28, 2MM1P30,2MM1P33,HONOR双向齿轮马达
1MM1P01,1MM1P02,1MM1P27,1MM1P35,HONOR双向齿轮马达
取消
发送询价
分享好友
了解产品首页
频道列表
我要评论