返回
液压锁
首页
>
了解产品
>
液压元件 液压阀
>
其他液压元件
>
液压锁
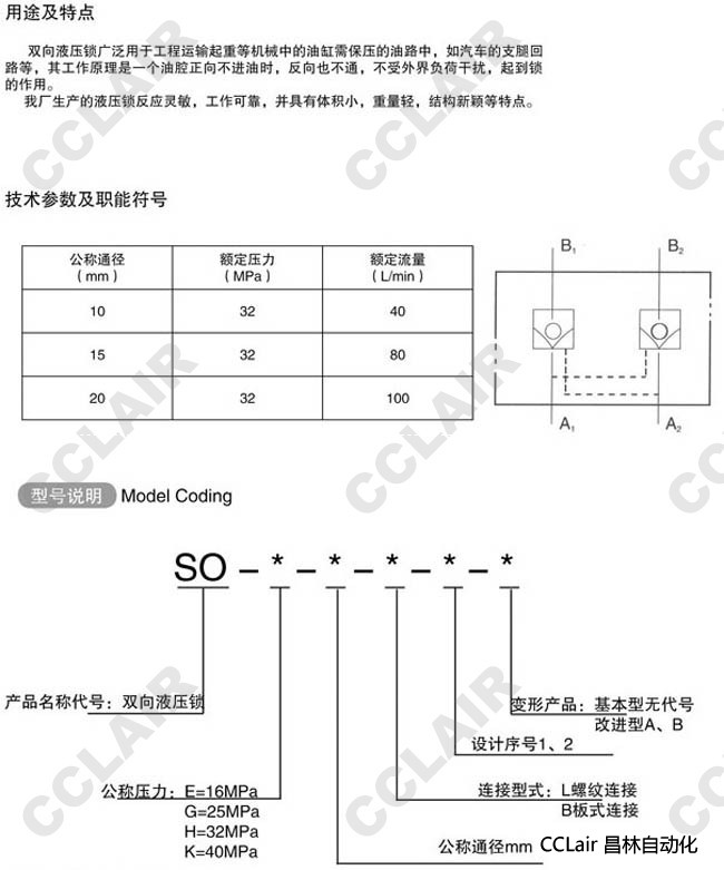
SO-K10L-1,SO-K15L-1,SO-K20L-1,SO-K10B-1,SO-K15B-1,SO-E20B-1,双向液压锁
2014-01-16 12:15
797
信息概况
价格:
未填
发货:
3天内
发送询价
SO-K10L-1,SO-K15L-1,SO-K20L-1,SO-K10B-1,SO-K15B-1,SO-E20B-1,双向液压锁
联系方式
姓名:销售员 1304(先生)
电话:
13812199898
传真:0510-82306771
地区:江苏-无锡市
地址:
无锡市会北路28-135
QQ:
2355802919
0
人关注
0
人点赞
举报
评分:
分
扫一扫访问当前网页
复制链接
二维码
短信
邮件
关闭
同类了解产品
VRPSD-G1/4-12L,VRPSD-G3/8-12L,VRPSD-G3/8-15L,VRPSD-G1/2-15L,VRPSD-G1/2-18L,VRPSD-G3/4-18L,VRPSC-G1/4,VRPSC-G3/,VRPSC-G1/2,VRPE-G1/4,VRPE-G3/8,VRPE-G1/2,VRPE-G3/4,VRPE-G1,VRPC-G1/4-12L,VRPC-G3/8-12L,VRPC-G3/8-15L,VRPC-G1/2-15L,VRPC-G1/2-18L液压锁
液压锁 SYS-L8H SYS-L10H SYS-L15H SYS-L20H SYS-B8H SYS-B10H SYS-B15H SYS-B20H SYS-08L4 SYS-08L2B2-4 SYS-08L2B2-2 SYS-08L2D2 SYS-08L2B1D1 SYS-10L4 SYS-10L2B2 SYS-10L2D2 SYS-15L4 SYS-15L2B2 SYS-20L4 SYS-20L2B2 F42 F42A YSS-6A YSS-6B YSS-6C YSS-6C-L YSS-8C
2AY-L10H(正体),双向液压锁
2AY-L10H(长体),双向液压锁
SO2-B10H,S02-H16H,双向液压锁
VRSD-G1/4-12L,VRSD-G3/8-12L,VRSD-G3/8-15L,VRSD-G1/2-15L,VRSD-G1/2-18L,VRSD,单向液压锁
取消
发送询价
分享好友
了解产品首页
频道列表
我要评论