返回
截止阀
首页
>
了解产品
>
阀门 流体控制
>
通用阀门
>
截止阀
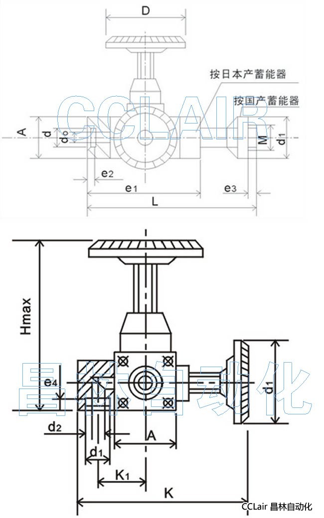
XJF-10/10,XJF-20/10,XJF-32/10,XJF-40/10,XJF-50/10,蓄能器截止阀
2014-01-20 15:34
809
信息概况
价格:
未填
发货:
3天内
发送询价
XJF-10/10,XJF-20/10,XJF-32/10,XJF-40/10,XJF-50/10,蓄能器截止阀
联系方式
姓名:销售员 1301(先生)
电话:
13812199898
传真:0510-82306771
地区:江苏-无锡市
地址:
无锡市会北路28-135
QQ:
2355802921
0
人关注
0
人点赞
举报
评分:
分
扫一扫访问当前网页
复制链接
二维码
短信
邮件
关闭
同类了解产品
SB330/400-0.5/2.5/10bis1I SB550/600-1bis1I,SB440/500/600-10bis1I,SAF型蓄能器截止阀块
AJF-H125/225/325/140/240/340/150/250/350L-F,AJF型安全截止阀
XJF-10/20/32/40/50/10,XJF型蓄能器截止阀
QJH-10/15/20/25/32/40/50/65F,QJH-6/10/15/20/25/32/40WL/NL,QJH-10/15/20/25/32/40B,QJH-50/65/80/100F,QJH高压球芯截止阀
CJZQ-L/F6/8/10/15/20/25/32/40/50H CJZQ-F100H,CJZQ-G6/8/10/15/20/25/32H,CJZQ型球形截止阀
JZF-40/100F/FA/FB,JZF-60F/65FB/80F/80FD,JZF型低压截止阀
取消
发送询价
分享好友
了解产品首页
频道列表
我要评论