DLY9-560A,DLY9-630A,DLY9-1000,DLY9-1000AT,DLY9-1500,DLY9-1800T,电磁离合器
|
规格
|
额定传递力矩N.M
|
额定电压
D.C.V
|
线圈消耗功率(20℃)W
|
允许最高结合转速
r/min
|
允许最高转速
r/min
|
|
250A
|
2500
|
110
|
86
|
相对静止
|
—
|
|
500A
|
5000
|
110
|
117
|
相对静止
|
1300
|
|
800A
|
8000
|
110
|
133
|
相对静止
|
1000
|
|
1000A
|
10000
|
110
|
143
|
相对静止
|
1000
|
|
1500A
|
15000
|
110
|
220
|
相对静止
|
1000
|
|
1800A
|
18000
|
24
|
205
|
相对静止
|
1600
|
|
3000A
|
30000
|
110
|
327
|
相对静止
|
1450
|
|
4000A
|
40000
|
110
|
365
|
相对静止
|
1300
|
|
6300A
|
63000
|
110
|
418
|
相对静止
|
1100
|
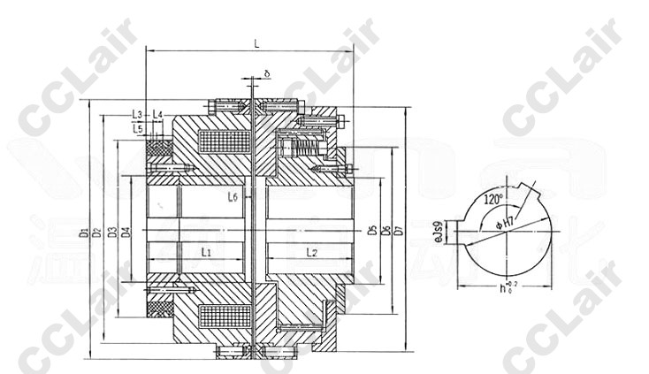
外形与安装尺寸
Overall and Installation Dimensions
|
规格
Size
|
径向尺寸Radial Dimensions
|
轴向尺寸Axial Dimensions
|
电刷型号
Brush
Model
|
|
D1
|
D2
|
D3
|
D4
|
D5
|
D6
|
D7
|
φ
|
h
|
e
|
L
|
L1
|
L2
|
L3
|
L4
|
L5
|
L6
|
δ
|
|
250A
|
260
|
220
|
180
|
122
|
126
|
138
|
223
|
100h7
|
106.4
|
28
|
205
|
85
|
85
|
8
|
14
|
8
|
23
|
1
|
DS-010
|
|
500A
|
320
|
270
|
215
|
130
|
130
|
200
|
285
|
110h7
|
116.4
|
28
|
236
|
105
|
105
|
10
|
14.5
|
8
|
19
|
1
|
|
800A
|
380
|
315
|
235
|
150
|
153
|
225
|
334
|
118g7
|
124.4
|
28
|
300
|
105
|
130
|
12
|
20
|
10
|
30
|
1.3
|
|
1000A
|
420
|
350
|
255
|
140
|
160
|
230
|
370
|
110h7
|
116.4
|
28
|
310
|
135
|
135
|
12
|
20
|
10
|
23
|
1.5
|
|
1500A
|
460
|
380
|
265
|
148
|
180
|
250
|
400
|
118g7
|
124.4
|
28
|
350
|
140
|
160
|
12
|
20
|
10
|
40
|
1.8
|
|
1800A
|
480
|
410
|
265
|
180
|
180
|
255
|
370
|
150
|
160.2
|
36
|
342
|
150
|
137
|
12
|
20
|
10
|
30
|
1.5
|
|
3000A
|
550
|
460
|
340
|
245
|
270
|
340
|
480
|
210h7
|
224.2
|
50
|
400
|
155
|
180
|
15
|
20
|
10
|
45
|
1.5
|
|
4000A
|
560
|
480
|
395
|
255
|
270
|
340
|
180
|
190h7
|
200.4
|
45
|
430
|
175
|
195
|
12
|
20
|
10
|
40
|
1.5
|
|
3600A
|
660
|
560
|
404
|
322
|
320
|
400
|
580
|
260
|
275.2
|
55
|
490
|
200
|
230
|
18
|
26
|
12
|
38
|
1.5
|