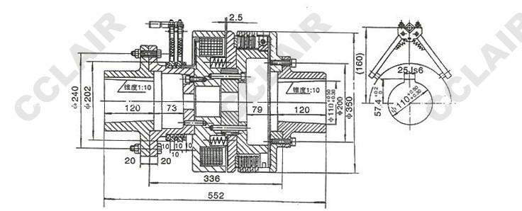
DLM6-5AF主要性能参数
规格 Size
额定动力矩 Rated Dynamic Torque N.m
静力矩 Static Torque N.m
额定电压 Rated Voltage DCV
线圈消耗功率 ( 20 ℃ ) Coil Consumption power ( 20 ℃ ) W
允许最高转速 Allowed Max Revolution r/min
5AF
36
40
24
148
3000
DLM6-200A 主要性能参数
200A
2000
2200
198
1000