规格
额定动力矩
N.m
静力矩
吸合电压
D.C.V
保持电压D.C.V
线圈消耗保持功率(20℃)W
允许最高转速r/min
10
100
110
96
24
53
3000
16
160
176
59
2500
25
250
275
61
2200
41
400
440
88
2000
63
630
693
94
1800
1000
1100
130
1600
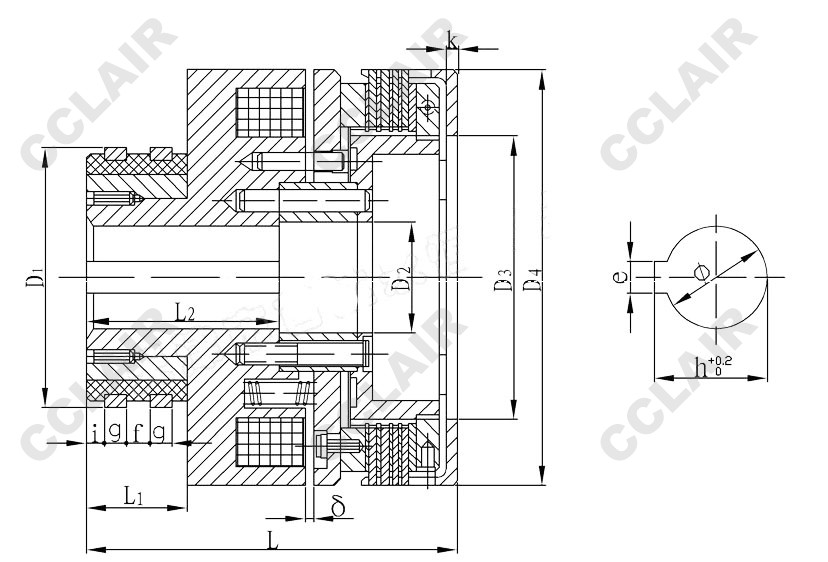
Size
径向尺寸Radial Dimensions
轴向尺寸Axial Dimensions
轴孔尺寸
Dimensions Shaft Hole
电刷型号
Brush Model
D1
D2
D3
D4
L
L1
L2
f
g
i
k
δ
φ
h
e
90
52
75H7
147
124.5
28
3
6
2
7
1.3
40H7
43.3
12JS9
DS-006
60
85H7
162
135
32
67
8
45H7
48.8
14JS9
120
73
95H7
182
145
75
4
50H7
53.8
78
140H7
202
155
77
9
1.5
55H7
59.3
16JS9
DS-003
82
125H7
235
185
35
85
1.8
65H7
69.4
18JS9
170
80
200H9
270
205
45
95
5
12
65H8
69
18H9
DS-010