返回
磁粉制动器
首页
>
了解产品
>
制动器 离合器
>
制动器
>
磁粉制动器
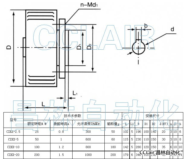
CZKX-2.5,CZKX-5,CZKX-10,CZKX-20,磁粉制动器(CZKX-型空心轴外壳旋转式磁粉制动器)
2013-07-11 12:29
808
信息概况
价格:
未填
型号:
CZKX-2.5,CZKX-5,CZKX-10,CZKX-20,
发货:
3天内
发送询价
CZKX-2.5,CZKX-5,CZKX-10,CZKX-20,磁粉制动器(CZKX-型空心轴外壳旋转式磁粉制动器)
联系方式
姓名:销售员 1249(先生)
电话:
13812199898
传真:0510-82328771
地区:江苏-无锡市
地址:
无锡市会北路28-135
QQ:
2355802919
0
人关注
0
人点赞
举报
评分:
分
扫一扫访问当前网页
复制链接
二维码
短信
邮件
关闭
同类了解产品
微小型磁粉离合器PC-0.05KG PB-0.1KG PBN-0.3KG
磁粉制动器PB-0.6KG PC-1.2KG PCO-2.5KG TS-A-5KG PC-10A1 PB-20B1
ZKG05YN,ZKG1YN,ZKG2YN,ZKG5YN,微型磁粉制动器
ZX3YN,ZX6YN,ZX12YN,ZX25YH,ZX50YH,ZX100YH,空心轴超薄磁粉制动器
ZA-6Y,ZA-12Y,ZA-25Y,ZA-50Y,ZA-100Y,ZA-200Y,空心轴磁粉制动器
FZK6,FZK12,FZK25,FZK50,FZK100,FZK200,空心轴磁粉制动器
取消
发送询价
分享好友
了解产品首页
频道列表
我要评论