返回
溢流阀
首页
>
了解产品
>
液压元件 液压阀
>
压力控制阀
>
溢流阀
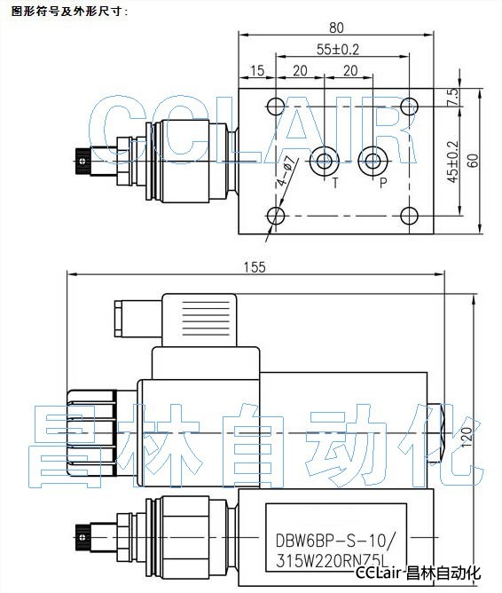
DBW6BP-S,DBW6BP-H,DBW6BG-S,DBW6BG-H,电磁溢流阀
2013-06-05 12:04
893
信息概况
价格:
未填
型号:
DBW6BP-S,DBW6BP-H,DBW6BG-S,DBW6BG-H
发货:
3天内
发送询价
DBW6BP-S,DBW6BP-H,DBW6BG-S,DBW6BG-H,电磁溢流阀
DBW6BG2-S,DBW6BG2-H,DBW6AP-S,DBW6AP-H,
DBW6AG-S,DBW6AG-H,DBW6AG2-S,DBW6AG2-H,
型号说明:
DBW 6 B P–S -10/100 G24 N Z5L
1、6通径电磁溢流阀=DBW6 2、常开=B,常闭=A
3、板式连接=P,英制管式连接=G,公制管式连接=G2
4、带内六角调节螺栓=S,调节手柄=H 5、设计号
6、至10MP=100,至20MPa=200,至31.5MPa=315
7、直流24V=G24,110V交流本整=W110R,220V交流本整=W220R
8、手动按钮=N 9、电磁铁方型插头=Z4,方型带灯插头=Z5L
联系方式
姓名:销售员 1229(先生)
电话:
13812199898
传真:0510-82328771
地区:江苏-无锡市
地址:
无锡市会北路28-135
QQ:
2355802921
0
人关注
0
人点赞
举报
评分:
分
扫一扫访问当前网页
复制链接
二维码
短信
邮件
关闭
同类了解产品
RV-01T-*-10,RV-02T-*-10,RV-03T-*-10,RV-04T-*-10,RV-06T-*-10,RV-10T-*-10,RV-01G-*-10,RV-02G-*-10,RV-03G-*-10,RV-06G-*-10,RV-10G-*-10,SRV-03G-*-10 SRV-06G-*-10,SRV-10G-*-10,SRV-04T-*-10,SRV-06T-*-10,SRV-10T-*-10,BRV-03G-*-10,BRV-06G-*-10溢流阀
0812208,0814508,0812508,0814608,0814108,0814908,0814208,0814308,0814408,0812708,0814708,0812808,0814808压力控制器 D500/7DZ切换差不可调
¥
999.00
CDB-15,CDB-20,CDB分片式多路阀
叠加式溢流阀MBW-01-H-30,MBW-03-C-30,MBW-03-H-30,
叠加式溢流阀MBP-01-C-30,MBP-01-H-30,MBP-03-C-30,MBP-03-H-30,MBB-04-C-30,MBP-04-C-30,MBP-04-H-30,MBP-06-H-30,
叠加式溢流阀MBB-01-C-30,MBB-01-H-30,MBB-03-C-30,MBB-03-H-30,MBB-04-C-30,MBB-04-H-30,MBB-06-H-30,
取消
发送询价
分享好友
了解产品首页
频道列表
我要评论