返回
稀油站
首页
>
了解产品
>
稀油润滑系统设备
>
电气控制 润滑系统
>
稀油站
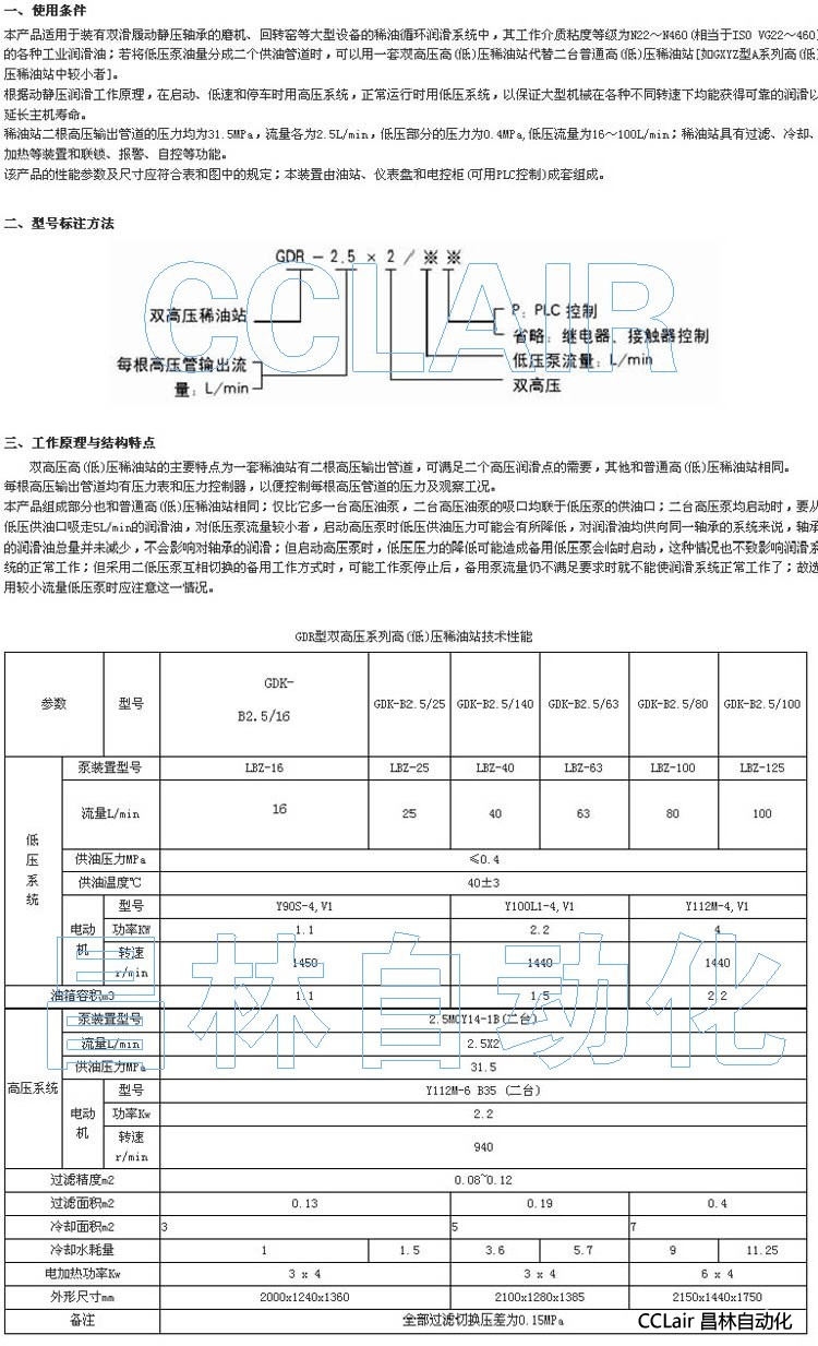
GDK-B2.5/16,GDK-B2.5/25, GDK-B2.5/140, 双高压高(低)压稀油站
2018-06-23 09:45
1517
信息概况
价格:
未填
品牌:
CCLair/昌林
型号:
GDK-B2.5/16,GDK-B2.5/25, GDK-B2.5/140
发货:
3天内
发送询价
GDK-B2.5/16,GDK-B2.5/25, GDK-B2.5/140, 双高压高(低)压稀油站
GDK-B2.5/63, GDK-B2.5/80, GDK-B2.5/100,
联系方式
姓名:销售员 1214(先生)
电话:
13812199898
传真:0510-82328771
地区:江苏-无锡市
地址:
无锡市会北路28-135
QQ:
2355802921
0
人关注
0
人点赞
举报
评分:
分
扫一扫访问当前网页
复制链接
二维码
短信
邮件
关闭
同类了解产品
YD-G24,电动式黄油注油机
FZT-1-DN150,FZT-1-DN100,阻火通气帽
GXYZ-B30/200,GXYZ-B30/250,GXYZ-B40/315,高(低)压稀油站
GXYZ-B20/100,GXYZ-B20/125,GXYZ-B20/160, 高(低)压稀油站
GXYZ-A2.5/16,GXYZ-A2.5/25, GXYZ-A2.5/40,GXYZ-A2.5/63, 高(低)压稀油站 ,
XYZ-250GZ,XYZ-290GZ,XYZ-315GZ,XYZ-350GZ,XYZ-400GZ ,整体式稀油站,
取消
发送询价
分享好友
了解产品首页
频道列表
我要评论