DLD5-5,DLD5-10A,DLD5-20B,DLD5-40,DLD5-50A,DLD5-80B,DLD5-100,DLD5-160A,DLD5-220B,DLD5-320,DLD5-480A,DLD5-1000B
DLD5-5,DLD5-10,DLD5-20,DLD5-40,DLD5-50,DLD5-80,DLD5-100,
DLD5-160,DLD5-220,DLD5-320,DLD5-480,DLD5-1000,
DLD5-5A,DLD5-10A,DLD5-20A,DLD5-40A,DLD5-50A,DLD5-80A,DLD5-100A,
DLD5-160A,DLD5-220A,DLD5-320A,DLD5-480A,DLD5-1000A,
DLD5-5B,DLD5-10B,DLD5-20B,DLD5-40B,DLD5-50B,DLD5-80B,
DLD5-100B,DLD5-160B,DLD5-220B,DLD5-320B,DLD5-480B,DLD5-1000B,
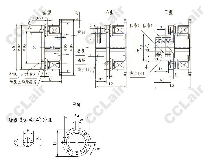
DLD5系列干式单片电磁离合器
特别提醒:
1) 电磁离合器不得碰撞、坠落或使猛力安装,否则会导致变形而影响使用;
2) 必须清除摩擦面上的油脂物,可以用丙酮、酒精等清除;
3) 绝不允许用力拉拽、弯折引出线;
4) 安装时不仅要保证磁轭安装面与轴的垂直度,同时要保证动盘与磁轭的同轴度,动盘及法兰(A)与轴的配*用H7/h6,并做好轴向定位,同时保证图示δ与标有0.8~1.5的间隙,大规格时标有0.8~1.5的间隙取大值,法兰(A)的紧定螺钉在拧入前要涂好防松胶;
5) 安装时绝不允许用猛力打入动盘及法兰,当配*用H7/h6时,为防止动盘及法兰变形,应采用专用的安装套筒,而且可以较轻松的装入。
|
规格(NM)
|
D1
|
D2
|
D3
|
D4
|
D5
|
D6
|
L1
|
L2
|
L3
|
L4
|
J
|
M1
|
M2
|
M3
|
|
DLD5-5
|
67
|
63
|
46
|
35
|
72
|
80
|
28
|
43
|
51.5
|
20
|
3.5
|
22
|
15
|
24
|
|
DLD5-10
|
85
|
80
|
60
|
42
|
90
|
100
|
31
|
51
|
60
|
25
|
4.3
|
24
|
20
|
29
|
|
DLD5-20
|
106
|
100
|
76
|
52
|
112
|
125
|
36
|
61
|
71
|
30
|
5
|
27
|
25
|
35
|
|
DLD5-40
|
132
|
125
|
95
|
62
|
137
|
150
|
40.5 |
70.5 |
86.5 |
40
|
5.5
|
30
|
30
|
45.5
|
|
DLD5-50
|
142
|
135
|
95
|
62
|
150
|
160
|
42.5 |
72.5 |
88.5 |
40
|
5.5
|
33
|
30
|
45.5
|
|
DLD5-80
|
168
|
160
|
120
|
80
|
175
|
190
|
46.5 |
84.5 |
103.5 |
49
|
6
|
34
|
38
|
57
|
|
DLD5-100
|
193
|
180
|
120
|
80
|
195
|
210
|
49
|
85.5
|
104.5
|
49
|
6
|
34.5
|
38
|
57
|
|
DLD5-160
|
209
|
200
|
158
|
100
|
215
|
230
|
55.5 |
100.5 |
124.5 |
50
|
7
|
40
|
45
|
69
|
|
DLD5-220
|
240
|
230
|
158
|
100
|
245
|
260
|
59
|
103
|
118
|
50
|
7
|
51
|
45
|
60
|
|
DLD5-320
|
270
|
260
|
210
|
125
|
276
|
292
|
64 |
118 |
145 |
69
|
8
|
47
|
54
|
79
|
|
DLD5-480
|
301
|
285
|
210
|
125
|
315
|
335
|
73
|
125.5
|
150.5
|
68
|
8
|
58
|
54
|
79
|
|
DLD5-1000
|
420
|
400
|
315
|
200
|
420
|
440
|
90
|
164
|
194
|
88
|
13
|
58
|
76
|
106
|
|
|
规格(NM)
|
V1
|
Y
|
E
|
T
|
M
|
G
|
U
|
W
|
Q
|
S
|
m
|
d
|
d1
|
H
|
B
|
δ
|
|
DLD5-5
|
3-3.1
|
5
|
26
|
6
|
M4
|
38
|
35.5
|
4
|
12
|
33
|
M3深4
|
12/15
|
12
|
13.8/17.3
|
4/5
|
0.2
|
|
DLD5-10
|
3-4.1
|
6
|
31
|
8
|
M5
|
45
|
41.5
|
6
|
18
|
37
|
M4深6
|
15/20
|
15
|
17.3/22.8
|
5/6
|
0.2
|
|
DLD5-20
|
3-5.2
|
7
|
41
|
10
|
M5
|
55
|
51.5
|
6
|
20
|
47
|
M4深6
|
20/25
|
20
|
22.8/28.3
|
6/8
|
0.2
|
|
DLD5-40
|
3-6.2
|
7
|
49
|
12
|
M6
|
64
|
60
|
8
|
30
|
52
|
M4深6
|
25/30
|
25
|
28.3/33.3
|
8/8
|
0.4
|
|
DLD5-50
|
3-6.2
|
7
|
49
|
12
|
M6
|
64
|
60
|
8
|
30
|
52
|
M4深6
|
25/30
|
25
|
28.3/33.3
|
8/8
|
0.4
|
|
DLD5-80
|
3-8.2
|
9
|
65
|
15
|
M8
|
75
|
71
|
8
|
35
|
62
|
M5深8
|
30/40
|
30
|
33.3/43.3
|
8/12
|
0.4
|
|
DLD5-100
|
3-8.2
|
9
|
65
|
15
|
M8
|
75
|
71
|
8
|
35
|
62
|
M5深8
|
30/40
|
35
|
33.3/43.3
|
8/12
|
0.4
|
|
DLD5-160
|
3-10.3
|
9
|
83
|
18
|
M8
|
90
|
85
|
10
|
35
|
74.5
|
M5深8
|
40/50
|
40
|
43.3/53.8
|
12/14
|
0.5
|
|
DLD5-220
|
3-10.3
|
9
|
83
|
18
|
M8
|
90
|
85
|
10
|
35
|
74.5
|
M5深8
|
40/50
|
40
|
43.3/53.8
|
12/14
|
0.5
|
|
DLD5-320
|
4-12.3
|
11
|
105
|
22
|
M10
|
115
|
110
|
12
|
35
|
101.5
|
M8深10
|
50/60
|
50
|
53.8/64.4
|
14/18
|
0.6
|
|
DLD5-480
|
4-12.3
|
11
|
105
|
22
|
M10
|
115
|
110
|
12
|
35
|
101.5
|
M8深10
|
50/60
|
50
|
53.8/64.4
|
14/18
|
0.6
|
|
DLD5-1000
|
4-16.4
|
13
|
130
|
30
|
M12
|
160
|
154.5
|
14
|
45
|
135
|
M8深10
|
70/80
|
70
|
74.9/85.4
|
20/22
|
0.7
|
|