返回
调速阀
首页
>
了解产品
>
液压元件 液压阀
>
流量控制阀
>
调速阀
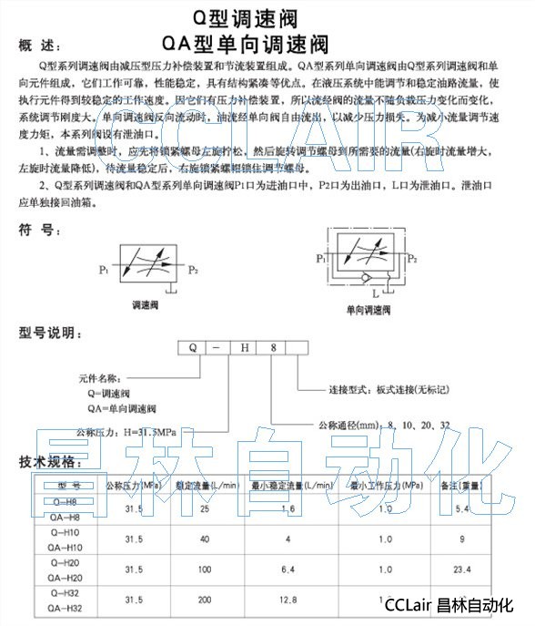
QA-H8,QA-H10,QA-H20,QA-H32,单向调速阀
2013-12-28 13:03
992
信息概况
价格:
未填
型号:
QA-H8,QA-H10,QA-H20,QA-H32,
发货:
3天内
发送询价
QA-H8,QA-H10,QA-H20,QA-H32,单向调速阀
联系方式
姓名:销售员 1206(先生)
电话:
13861877712
传真:0510-82328771
地区:江苏-无锡市
地址:
无锡市会北路28-135
QQ:
2355802921
0
人关注
0
人点赞
举报
评分:
分
扫一扫访问当前网页
复制链接
二维码
短信
邮件
关闭
同类了解产品
MCV-02A-,MCV-03A-,MCV-02B-,MC-02P-,MC-03P-,MC-02T-,MC-03T-,MCV-04P-,MCV-06P-,MCV-04T-,MCV-06T-, MCV-04A-,MCV-06A-,MCV-04B-,MCV-06B-,MCV-02P-,MCV-03P-,MCV-02T-,MCV-03T-,MCV-02W-,MCV-03B-,叠加式液压单向阀
MBRV-02P-A,MBRV-02A-A,MBRV-02A-B,MBRV-03P-A,MBRV-03A-A,MBRV-03B-A,MBRV-03P-B,MBRV-02B-C,MBRV-02P-H,MBRV-02A-H,MBRV-02B-H,MBRV-02B-B,MBRV-02P-C,MBRV-02A-C,MBRV-02B-A,MBRV-02P-B,MBRV系列叠加式减压阀
MSW-01-X-50,MSW-01-Y-50,MSW-02-X-50,MSW-02-Y-50, MSW-03-X-50,MSW-03-Y-50,MSW-04-X-50,MSW-06-X-50, MSA-01-X-50,MSA-01-Y-50,MSA-02-X-50,MSA-02-Y-50, MSA-03-X-50,MSA-03-Y-50,MSA-04-X-50,MSA-06-X-50, MSB-01-X-50,MSB-02-X-50,MSB-03-X-50,MSB-04-X-50, MSB-06-X-5
Q-D6B-3,AQ-D6B-6,QY1-D6B-16,AQY1-D6B-6,Q-D10B-10,AQ-D10B-16,调速阀
调速阀SC-01,SC-02,SC-03,SC-04
Northman北部精机,比例溢流调速阀EFRD-G03-160-2-6-31,EFRD-G03-160-2-5-31,EFRD-G03-250-3-6-31,EFRD-G03-250-3-5-31,EFRD-G06-160-2-6-31,EFRD-G06-160-2-5-31,EFRD-G06-250-2-5-31,EFRD-G06-250-3-6-31,EFRD-G06-250-3-5-31
取消
发送询价
分享好友
了解产品首页
频道列表
我要评论