DLM0-2.5,DLM0-2.5A,DLM0-2.5AZ,DLM0-6.3,DLM0-6.3A,DLM0-6.3AZ,DLM0-6.3Z,DLM0-16,湿式多片电磁离合器
DLM0-16A,DLM0-16AZ,DLM0-16Z,DLM0-40,DLM0-40A,DLM0-40AZ,DLM0-40T,DLM0-40/36V
㈠、主要用途:DLMO系列是有滑环湿式多片电磁离合器,需在润滑的条件下工作,摩擦片磨损少,使用寿命长,径向尺寸小、力矩大。可广泛用于机床、轧钢、冶金采矿、金属压延、搬运、船舶渔业等设备的机械传动系统中,起到离合、换向、变速等作用。
㈡、使用条件:
1.海拔高度不超过不超过2000m;
2.周围空气温度为-5℃~+40℃;
3.周围介质中无爆炸危险且无足以腐蚀金属和破坏绝缘的气体及导电尘埃;
4.离合器线圈的供电电压波动不超过+5%和-15%的额定电压;
5.摩擦片间需要有油润滑。
㈢、安装:
1.离合器安装前应清洗干净;
2.安装时应轴向固定,如分轴安装应保持同轴度为9级;
3.离合器工作时应向摩擦片供油。在高速运转和高频工作时,应采取轴心供油法(供应量见表);
4.离合器润滑油应清洁,否则会影响其使用可靠性。
|
规格
|
额定动力矩N.m
|
额定静力矩(≦) N.m
|
空载力矩
(≦) N.m
|
接通时间
(≦)S
|
断开时间
(≦)S
|
额定电压
D.C.V
|
线圈消耗功率(20℃)W
|
允许最高转速r/min
|
重量
Kg
|
供油流量
L/min
|
|
2.5
|
12
|
25
|
0.4
|
0.28
|
0.10
|
24
|
13
|
3500
|
1.78
|
0.25
|
|
6.3
|
50
|
100
|
1.0
|
0.32
|
0.10
|
24
|
19
|
3000
|
2.8
|
0.40
|
|
16
|
100
|
200
|
2.0
|
0.35
|
0.15
|
24
|
23
|
3000
|
4.66
|
0.65
|
|
40
|
250
|
500
|
5.0
|
0.40
|
0.20
|
24
|
51
|
2000
|
9.0
|
1.00
|
|
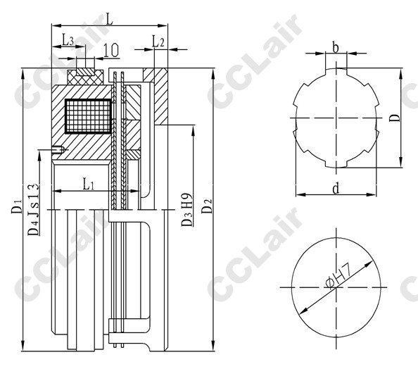
规格
|
径向尺寸
|
轴向尺寸
|
电刷型号
|
|
D1
|
D2
|
D3
|
D4
|
φ
|
D
|
d
|
b
|
L
|
L1
|
L2
|
L3
|
衔铁行程
|
|
2.5
|
94
|
92
|
50
|
42
|
30
|
30
|
26
|
8
|
56
|
46.6
|
5
|
18.5
|
2.2
|
DS-001
|
|
6.3
|
116
|
113
|
65
|
52
|
40
|
40
|
35
|
10
|
60
|
48.2
|
5
|
18.5
|
2.8
|
|
16
|
142
|
142
|
85
|
60
|
50
|
50
|
45
|
12
|
65
|
49.8
|
7.5
|
18.5
|
3.5
|
|
40
|
176
|
178
|
105
|
86
|
65
|
65
|
58
|
16
|
80
|
62
|
10
|
22
|
4
|