返回
通/失电制动器
首页
>
了解产品
>
制动器 离合器
>
制动器
>
通/失电制动器
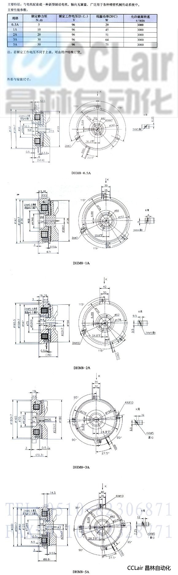
DHM8-0.5A,DHM8-1A,DHM8-2A,DHM8-3A,DHM8-5A,电磁失电制动器
2013-03-16 08:01
845
信息概况
价格:
未填
型号:
DHM8-0.5A,DHM8-1A,DHM8-2A,DHM8-3A,DHM8-5A,
发货:
3天内
发送询价
DHM8-0.5A,DHM8-1A,DHM8-2A,DHM8-3A,DHM8-5A,电磁失电制动器
联系方式
姓名:销售员 1199(先生)
电话:
13812199898
传真:0510-82328771
地区:江苏-无锡市
地址:
无锡市会北路28-135
QQ:
2355802919
0
人关注
0
人点赞
举报
评分:
分
扫一扫访问当前网页
复制链接
二维码
短信
邮件
关闭
同类了解产品
BFK458-06E,BFK458-08E,BFK458-10E,BFK458-12E,BFK458-14E,BFK458-16E,BFK458-18E,BFK458-20E,BFK458-25E,BFK458-30E,REB0406B,REB0408B,REB0410B,REB0412B,REB0414B,REB0416B,REB0418B,REB0420B,REB0425B,REB0430B失电制动器
S110,S130,S150,S180,伺服电机制动器
S040,S060,S080,S100,伺服电机制动器
DHM3-04,DHM3-05,DHM3-08,DHM3-15,DHM3-30,电磁失电制动器
ZDWZ1-0.5,ZDWZ1-1,ZDWZ1-2,ZDWZ1-3,ZDWZ1-5,ZDWZ1-8,微型电磁失电制动器
TSB-094,TSB-124,TSB-150,TSB-165,TSB-094-020,TSB-124-150,TSB-150-220,TSB-165-800,马达失电制动器
取消
发送询价
分享好友
了解产品首页
频道列表
我要评论