返回
高压齿轮泵
首页
>
了解产品
>
油泵 齿轮泵 组合泵
>
齿轮泵及泵组
>
高压齿轮泵
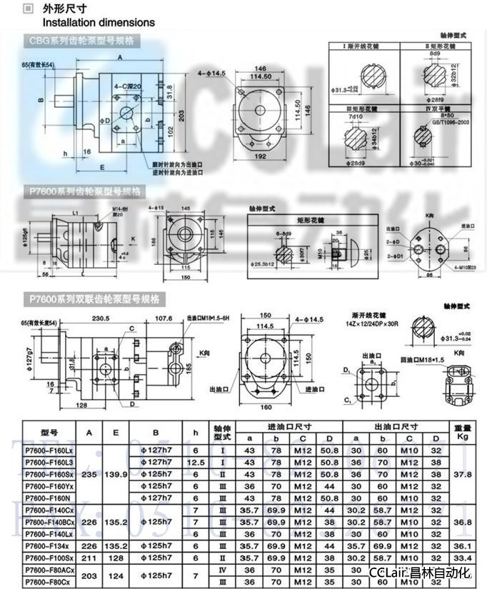
CBG2063T,CBG2063M,CBG2063J,CBG2063TA,CBG2080D,CBG2080DA,CBG2100D,CBG2100DA,中高压齿轮泵
2013-03-09 08:50
1078
信息概况
价格:
未填
型号:
CBG2063T,CBG2063M,CBG2063J,CBG2063TA,CBG2080D,CBG2080DA,CBG2100D,CBG2100DA,
发货:
3天内
发送询价
CBG2063T,CBG2063M,CBG2063J,CBG2063TA,中高压齿轮泵
CBG2080D,CBG2080DA,CBG2100D,CBG2100DA,、
联系方式
姓名:销售员 1196(先生)
电话:
13861877712
传真:0510-82328771
地区:江苏-无锡市
地址:
无锡市会北路28-135
0
人关注
0
人点赞
举报
评分:
分
扫一扫访问当前网页
复制链接
二维码
短信
邮件
关闭
同类了解产品
HTP3-A-1-ME-10/16/20,HTP3-B-2-ME-25/32/40 HTP3-C-3-ME-45/50/63,HTP3-D-4-ME-80/100/125, HTP3-E-5-ME-140/160/180/200/220,HTP高压齿轮泵
F7600-A/B/C-1-SG-80/100/125/150 F7600-A/B/C-2-SG-165/180/200,高压齿轮泵F7600
F5100-A/C/E-1/3/5-SF-25/32/40 F5100-B/D/E-2/4/5-SF-50/63/80高压齿轮泵F5100
F124-A/B/C-2/4/6-BF-5/10/15/20 F124-A/B/C-3/5/6-BF-25/30/35/40,高压齿轮泵
2GG7Z11L,2GC7Z11L,2GE7Z11L,2GR7Z11L,2GL7Z11L,2GD7Z11L,高压齿轮泵
2GG7Z16L,2GC7Z16L,2GE7Z16L,2GR7Z16L,2GL7Z16L,2GD7Z16L,高压齿轮泵
取消
发送询价
分享好友
了解产品首页
频道列表
我要评论